I'm currently making a DC-DC SMPS power supply that converts 331VDC (rectified from 240VAC) to 60VDC with a maximum output current of 10 amps. I've asked once on this forum about a general problem on my circuit, specifically why my MOSFET keeps dying, and what I'm about to ask is a kind of a continuation of the problem. If you want to see my previous question, here it is. The circuit I'm currently using can be seen below
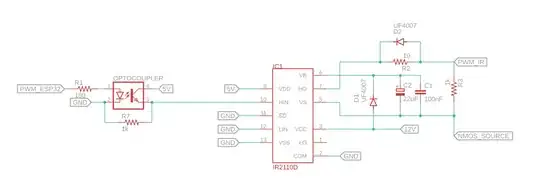
Fig 1. Gate driver circuit
Fig 2. Buck converter circuit
So with a more adequate testing equipment in my university lab I've figured out that what's actually been killing my MOSFETS are actually the current spikes across the D-S of my MOSFET due to L1's transient response. Without any snubber circuit, the spikes can reach as high as 10 times the average output current. There's also some voltage spikes visible on the scope, but said spikes are easily remedied by putting a simple RC snubber in parallel with the MOSFET (Node A-B in Fig 2).
Seeing that the RC snubber works, I then remove the RC snubber from Node A-B, and put a simple RLD snubber in series with the MOSFET (Node B-C in Fig 2) to try to minimize the current spikes in my MOSFET. With a 300uH inductor, the current spikes is also reduced by a lot. The current spikes are now just 1.2 times the average output current.
Now the problem is when I try to combine both snubbers (RC and RLD), it messes up with the buck converter operating cycle. In a normal buck converter circuit, when the switch is in the OFF state, the voltage at Node C (in fig 2) is 0V, and thus making the diode (D3 in Fig 2) operate in forward biased mode. But if I put both my RLD and RC circuits (in the corresponding nodes I explained above), when the switch is OFF, the inductor in the RLD circuit can still cause a current flow from node C to node A via my RC circuit. As a result, D3 will have to wait for the inductor in the RLD to fully finish discharging for it to go in forward biased mode (if my explanation is not making any sense, you can also see what I'm describing in Fig 3). In doing so, the maximum output voltage is reduced significantly, and it's not proportionally linear with the duty cycle.
Fig 3. Current flow when the switch is in the on and off state after adding RC and RLD snubbers to circuit in Fig 2
In order to still use the RC snubber circuit to clip excess voltage, where should I put the RC and the RLD? My RC and RLD configuration and component values is the same as shown in Fig 3.
Edit: I've also attached my gate voltage when there's a 7V DC in the drain, if it helps
Fig 4. Gate voltage when there's 7VDC in drain
Fig 5. Gate-source voltage (yellow) and source-ground voltage (blue)

my gate voltage is a 12V square wave with a 50% duty cycle.to what reference? MOSFET's source or GND? – Rohat Kılıç May 12 '22 at 06:48