So in an application like this:

The coil of the motor will, by Lenz's Law, induce a very large negative voltage across its terminals (without the diode in place). Would this voltage be very negative at the left terminal of the inductor and very positive at the right? In this way the diode will conduct, but the negative voltage in this case would be directly connected to the power supply.
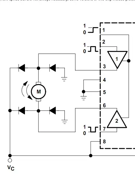
Also, how are the flyback diodes in this way utilized[L293 - H Bridge IC]:

It seems that the two left diodes will always be reversed biased, but what about the right-side two? Why are the left-side diodes even present if they are always reversed bias? It seems that the large negative voltage would forward bias one of the diodes to the right (whichever terminal is induced to a large negative potential), but what benefit does that have? Also, current flow back into the H-Bridge circuit does not appear very practical.
Perhaps I am looking at this all wrong.