3

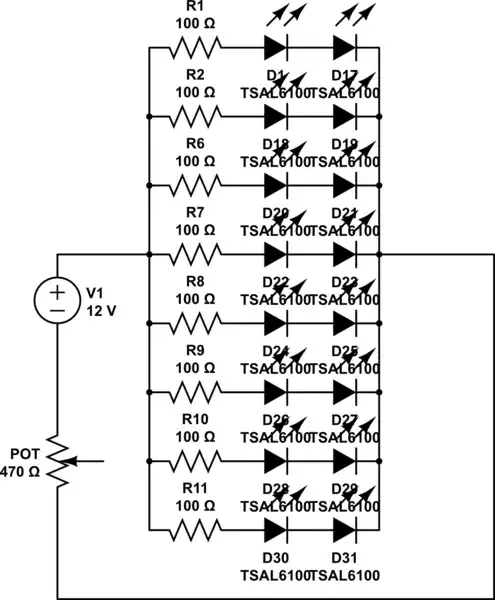
I'm trying to dim a 12V LED lamp (LEDs specification here however schematics have the real values...) I've build for a video lighting application. My initial thought was to use a potentiometer but it seems that the power consumption of the lamp (7.56 W measured with a multimeter) is to high for a standard potentiometer. Unfortunately I can't found the specification of my Omeg 470 Ohm LIN.A potentiometer so I've tried it and now I think is burnt.

schematic

simulate this circuit – Schematic created using CircuitLab

The lamp is for video lighting, I'm using a camera with a 30-60 fps so I don't know if a can use a Pulse-width modulation because I think it can cause a flickering effect in the video. Further more is for a radiometric experiment and I would like to have a stable output but answer for decent result are however welcome. What are the possible alternatives? Is true that:

LED’s cannot be dimmed using resistive dimming; it will slowly damage the LED’s.

?

Please note:I'm not interested in power consumption, because is not for standard lighting...EDIT: Answers involving Pulse-Width modulation are welcome if they works for this application

G M
  • 326
  • 5
  • 19
  • 2
    Why can't you use PWM? So long as your PWM frequency is much higher than your framerate you're good. Considering on most MCUs the default PWM frequency is in the kHz range (at minimum) you shouldn't have any problem. – Synchrondyne Apr 22 '14 at 07:58
  • @PeterK I'm not sure that suit my application because is for a radiometric experiment but if I don't have the flickering effect I can try, I will try to search how to do that I'm a chemist so I don't know much about this... Thanks for your help! – G M Apr 22 '14 at 08:03
  • What's a radiometric experiment? – Andy aka Apr 22 '14 at 08:54
  • @Andyaka sort of NIR transmittance measuring through inhomogenoeus media. – G M Apr 22 '14 at 09:00
  • No, didn't understand a word but I can guess it isn't relevant to the question! – Andy aka Apr 22 '14 at 09:02
  • You can use PWM modulation if you have some capacitor to filter it. – Kamil Apr 22 '14 at 14:43
  • 1
    You should use lower voltage than 12V to lower power losses. If you are using TSAL6100 LED diodes - they have 1.35V forward voltage. That means you loose more than 75% of power to generate heat on resistors. It's not just about economy. Big power losses mean a lot of heat to deal with. – Kamil Apr 22 '14 at 14:45
  • @Kamil thanks, I've only to run it for short period! I don't know: I've read this question and it seems that high resistances can help to make the output more stable, I would like to know your opinion.maybe a PWM solution! THanks for the help! – G M Apr 22 '14 at 14:55
  • 1
    That article seems like bs. Resistive dimming will not damage the leds, it's just not good for a transformer. Also, those are INFRA-RED leds? For video lighting? – Passerby Apr 22 '14 at 22:56
  • @Passerby yes I need them for NIR transmittance imaging. – G M Apr 23 '14 at 07:40
  • @Passerby Utter BS! – winny Nov 20 '18 at 11:41

5 Answers5

4

What about this: -

enter image description here

Here's the data sheet. Here's other devices that should do the same job.

Alternatively, if you are stuck with the LEDs being soldered as they are, a regular buck regulator would be OK but I'd recommend a power supply of nominally 15V: -

enter image description here

You can adjust the device to produce a lower-than-12V output by using a pot in the feedback to FB - note that there are two resistors feeding FB at the moment to produce an output of 12V - if you scaled there ratios down to more-or-less suit the value of your pot in place of the 619k resistor it would work but always have a little bit of resistance in series i.e. if you had a 50k pot then leave 2k2 in series so that the output never gets directly connected to the FB pin. Note FB means feedback.

Here's the LT search page I used for this.

Andy aka
  • 456,226
  • 28
  • 367
  • 807
  • +1 thanks this is excellent thing to know, but I've already solder the circuit in the schematics because it worked before the potentiometer burnt, now I would like to find a solution to replace the potentiometer... – G M Apr 22 '14 at 09:50
  • 1
    @GM I've added a regular buck regulator to my answer - this should cope with the existing wiring scheme. – Andy aka Apr 22 '14 at 10:18
4

These LEDs should never used at 0.5 to 1A continuous or even past the absolute max power of 180mW. But 150mW may be ok for continuous used if adequate cooling is provided. 1A can only be used for very low duty cycles or 100us max.

Final edit Assume I meant 3 R's in schematic or choose one 3 Ohm part but 1/2W. Choose R's with Ohmmeter for best accuracy.

enter image description here

  • revised to 100mA max per LED with 3.125 fixed R using 3x1 Ohm resistors same as string "equalization" resistors. Choose ANY combination of 1 OHm parts for max current. The variable R controlled by Darlington bias controls constant current setting. Since LED Vf min is unknown for your parts, Imin may be <50mA, which can be nulled with 3k bias instead of 2k.. If you want to change string array to 6P4S to drive more LEDs adjust the fixed R of 3 down according to 1.25V/Icc. Visible light indicator added for 20mA.

Efficiency = ~1.8*4/12= 60% , luminous intensity variation , accuracy depends on focus of LEDs in housing.

  • fin -

A much better choice of LED is SFH4525 rated at same 940 nmP , 10deg for 550 mW/sr @100 mA continuous in the same 5mm package with over 5x the efficacy at 1/10th of the current 1.8V max 1.5 V typ.

For power, DC constant current is best, which means if you have 12V only, you can use a 3 terminal regulator such as LM317 which has a minimum drop of 2.2V drop @1A. Thus depending on your max, min Vinput, you can choose suitable strings of 4 or 5 in series. Using 5 strings in parallel of 4 in series , or an array of 5P4S (parallel,serial) you need 500mA @ 4x 1.8V min. from the adjustable current mode of LM317 below.

Adding 0.1V min. drop to each string to prevent thermal runaway, this means each string has a 1 Ohm in series x 5strings with power dissipated only = 0.05W @ 0.5A

enter image description here

  R adj  I (mA). 
 =====   =====
  2.5       500
  5.0       250
 10.0       125
 20.0        62
 ...

This might be done with fixed resistors or 2.5 Ohm + 10 Ohm Pot, wire wound ($) and added caps to stabilize regulator or a cheap pot with a NPN transistor in place of the WW pot. There are many other ways to do this depending on the accuracy you need.

  • +1 thanks, is 12V regulated like in the schematics the circuit is already solder but thanks for the hints! – G M Apr 22 '14 at 12:29
  • It looks as though you were counting on 100 mW/sr at 1A, with 100 ohm resistor I've 0.100 mA passing through them. m'I wrong? – G M Apr 22 '14 at 12:30
  • The 100R was also wrong for 1W peak. I ignored that and saw 15W from 16 LEDs. What is the real output in Lumens or mW/sr that you need? –  Apr 22 '14 at 12:40
  • 2
    Also you can dim LEDs with resistors, but the pot will burn out. WW pots are >$20, which is why I suggest an active NPN with say a 5k pot to adjust the base current to get-current sensing from a transistor. Vout-Vadj=1.25V –  Apr 22 '14 at 12:49
  • Maybe my question is not clear, I'll try to edit, I've set 2-15 W for a generalize the question but my lamp (that you see in the schematics) should have 7 Watt consumption, the calculation I think that are right, if you try the calculate the LEDs amp should be lower than 100 mA. The output that I need depends case by case for this reason I need to be able to dim the light... However 85mA are still ok for most of the applications.. – G M Apr 22 '14 at 12:53
  • Ok 7W using your LEDs only needs 1.5W with my cheap LEDs. Is that right? Which would you prefer? –  Apr 22 '14 at 12:55
  • Yours, but I've already mine so I've to find a solution with my configuration. This is the problem! :-) – G M Apr 22 '14 at 13:55
  • Your configuration of 8P2S won't work easily so I suggest you restate your question to be ... Using ~16 IR LED's from x to 150mA each, how I control the current from 12V? Then consider my answer with 1Ohm per string and config 4P4S , Imax=4x150mA=0.6A so Rmin (fixed) =1.25/0.6= 2.08 Ohms, instead of 2.5 and use darlington NPN power Vbe bias from 8 to 12V with 1K pot +2k fixed to gnd, collector on Vout, emitter on Vadj instead of R sense. And Bob's yer uncle. So you can buy ten 1Ohm resistors to select 2.08R and use the rest for 1/string + spares. 2k fixed, 1k pot –  Apr 22 '14 at 14:14
  • I've edit the quesiton,if you want post an answer to my first question: http://electronics.stackexchange.com/questions/105139/uniformly-illuminate-an-array-of-leds-how-to-get-the-most-homogeneous-output for the LED arrangements.. – G M Apr 22 '14 at 14:34
  • I'm afraid to say, the answers are only as good as your questions which are flawed. (1) series parallel makes no difference to LED performance when current is controlled in each string. LED's are not always the same Iv in a bag so expect a non homogeneous intensity. (2) 20 deg beamwidth must have all LEDs pointing to one spot and if you can do that at a fixed distance only a very small area is homogeneous +/-10% otherwise expect >50% variance between spots with ideal symmetry from overlapping beams. Start with a Radiometric spec. Lumens at distance and size/ depth of target to detectors. –  Apr 22 '14 at 16:14
  • Having built a commercial radiometric goniometer with discrete 5mm parts, alignment is not easy. I used camber and tilt housings to focus each part for 1m target 50mm wide. If you can live with that, my design still is best with amendments in values –  Apr 22 '14 at 16:16
  • 1 Ohm on each string adds 0.4 V drop which reduces the current variance enough. Anything more is overkill. Your LED gaps will cause the most issue 50%. You can verify that by measuring each drop across 1 ohm. If you go with much more current you will fry your regulator. Like 0.8A x V drop unless $ heatsink –  Apr 22 '14 at 20:02
3

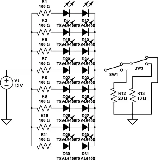
A potentiometer is also called a variable resistor and rheostat. Those 100Ω ballast resistors and the potentiometer are the same as a "Resistive dimmer". They will not damage an led. They are the simplest way to control the current to a led segment.

Each of your 100Ω resistors are limiting current to ((12V - 1.35V - 1.35V) / 100Ω)) 93 mA and dissipating ~0.86W each (I hope they are 1W resistors, or they will heat up and fry quickly). Combined, that is 6.88W in heat for the resistors, and 744 mA. That's essentially a 12.5Ω load. Since the leds are pretty low forward voltage, and the resistors are burning a very large amount in comparison (2.7V vs 9.3V), you have plenty of headroom to change the resistance. Increasing the resistance lowers the current, which in turn dims the leds.

A single 10Ω 5W resistor will (roughly) halve the current (51mA) and brightness to each led, and since it is also taking up ~1/2 of the power, will help dissipate the heat nicely, as each of the 100Ω resistors will only be dissipating 0.44W instead of 0.86W. I saw 10Ω instead of 12.5Ω, as a 10Ω will be easier to find. You could use a 20Ω for 35mA to each led string. Or a 5Ω for 66mA each. Since leds are logrithmic, it's not an exact scaling of brightness.

Add a multi-throw switch, and you can chose between them.

schematic

simulate this circuit – Schematic created using CircuitLab

The reason you fried your pot was that it couldn't handle your poorly designed panel. Frankly, you should have just stuck them all in series with a single resistor. 12V Source Voltage - 10.8V Forward Voltage (1.35 * 8) = 1.2V to drop. 1.2V / .093A = 12.9Ω. 1.2V * 0.093A = 0.111W. A single ~13Ω 1/4W resistor would have been perfect to set the upper limit and Most pots could handle a measly 1/4th~1/8 Watt.

schematic

simulate this circuit

Passerby
  • 73,027
  • 7
  • 93
  • 209
  • Thanks for the help, I thought that using an higher resistor would help me to stabilize the output, I've read this answer and it seems that was so. I've already post a question about this configuration and seemed was okay. In most project I see a resistor for every LEDs, next time I will follow your advices. Thanks. – G M Apr 23 '14 at 07:45
  • if the resistor is too small, it won't regulate the current well, and our circuit will be subject to large variations in current with temperature, manufacturing variation, and supply voltage, just as if we had no resistor at all. Let me know what you think! Thanks! – G M Apr 23 '14 at 10:18
  • @gm The difference is that you need a resistor for every series segment, in parallel. What you already have does that. 2 leds in series (the segment) with a resistor for each segment. Having a single resistor for multiple parallel segments cause balancing issues. Having a single resistor for a segment does not cause those issues. Adding a large power resistor, in series with your existing resistor+leds series, doesn't change that. – Passerby Apr 23 '14 at 16:48
  • @gm Think of the single larger resistor as a bottle neck, a tunnel. Only x amount of current goes through it at y voltage. But then your additional smaller resistors, are like traffic control. 80 cars go through the tunnel, and the traffic control allows only 10 of those, in each lane. – Passerby Apr 23 '14 at 16:49
  • @gm for the size of the resistor, that always varies. A stable power supply, how long you run it, the wattage rating of the resistor, how effecient powerwise the wiring is. They recommend 25%. That's a huge amount of headroom in my opinion, and is more important for high current applications. In my single segment above, at 100mA and 12v, that's 1.2W at most through the whole thing. The power resistor is set for a little over 1.5 volts, so you get 1/9th or ~12%. That's fine for a 1w or 5w resistor at 100mA and a stable supply (at 12v 100mA most would be). – Passerby Apr 23 '14 at 16:53
  • @gm for the size of the resistor, that always varies. A stable power supply, how long you run it, the wattage rating of the resistor, how effecient powerwise the wiring is. They recommend 25%. That's a huge amount of headroom in my opinion, and is more important for high current applications. In my single segment above, at 100mA and 12v, that's 1.2W at most through the whole thing. – Passerby Apr 23 '14 at 16:55
  • Thanks for the explanation, I would like to perform more tests with your configuration... Thanks! – G M Apr 23 '14 at 17:00
2

Here is PWM regulator suitable for your LED array.

You may replace whole LED block including resistors with yours and it should work.

2N2222 transistor is rated at 0.8A. Your LED array is also about 0.8A.

A bit bigger transistor would be better, but 2N2222 shall not blow up at 0.8A in switching configuration like this. If it blow up you may replace it with BUZ11 or other N-channel MOSFET.

enter image description here

I found that schematics here, haven't tried it. If you get some flickering on video - you may increase switching frequency by changing capacitor values. If you take a look at NE555 documentation - there are some PWM examples and formulas for frequency.

I've read somewhere, that switching frequency for typical LED's shall not exceed 1-2kHz, because of LED capacitance.

Kamil
  • 6,004
  • 9
  • 43
  • 60
0

My inexpensive ($100) video light uses a potentiometer-style knob to vary the brightness. Without opening it up, I know it does not use PWM. Here is a quick test.
Shine the light on a running faucet in a dark room. Look closely. If you see a steady stream as the light is dimmed, then it is not PWM. If the stream becomes pixellated, almost like the speed-bars on a phono turntable, then the light is PWM controlled.

John Canon
  • 526
  • 2
  • 8