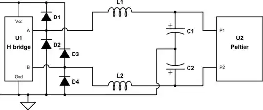
as already questioned here, i am still working on peltier controllers. For that I am using a stepper motor driver (h-bridge) with a low-pass LC filter and the peltier element behind, as Olin Lathrop kindly explained. It works like a charm and is great for what it is designed for.
The schematic for that (I will add that to my older post as well):

My problem is controlling temperatures close to the room temperature. By now, I have been using the h-bridge as a MOSFET only. That means I need to decide if the Peltier is going to cool my application, or heat it up. Since the h-bridge is capable of reversing the current I am trying to design a circuit that can go in both directions. The capacitor C1 is an electrolytic capacitor, so negative voltages would blow everything. I thought of using diodes somehow to detect current direction, but I am not really getting it. Can anyone help?

