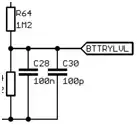
I have recently taken on a project that involves improving a circuit and there is a couple of instances where there are two capacitors in parallel with each other.
The values of these capacitors are 100nF and 100pF so one is average sized while the other is small. The instances of these capacitors in parallel are placed on input/output signals, one on an output that is readings a battery voltage and the other on a power input to an op-amp. I am a bit confused as to why they are both needed as opposed to one so if anyone can point me in the right direction with regards to that, that would be great.


