110/220V AC to 12V DC switching mode power supply (metal enclosed, input is 220V with separate L,N and ground.)
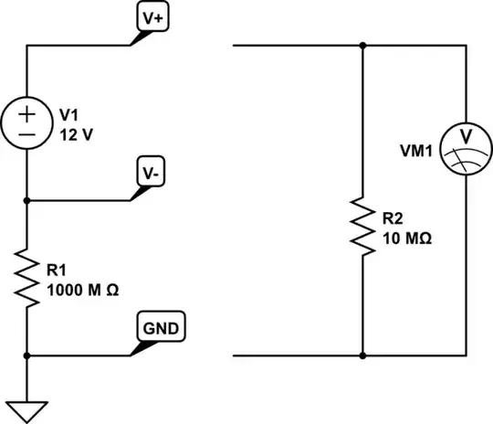
- Measured voltage difference with a multimeter between V- and V+ 12V DC as expected
- Measured voltage difference between ground and V- or ground and V+ reads practically 0V DC
According to this text about floating power supplies:
For floating DC power supplies, the voltage potential appears from the positive output terminal to the negative output terminal. There is no voltage potential (at least, none with any power behind it) from either the positive terminal to earth ground or from the negative output terminal to earth ground.
So that is in accordance with my measurement, but how can this be? If there is a voltage different between point A and B in any electrical network, how can the voltage C-A and C-B both be zero? The only explanation I can think of is a measuring error (multimeter ties the measured line to the ground?), but if so, the quoted text above is wrong?
