
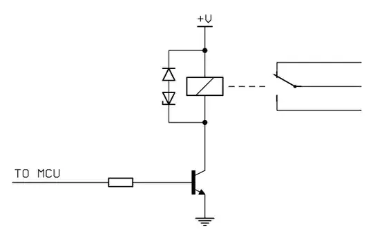
I am using a Zener diode along with a flyback diode with a relay in order to speed it up a bit. This works very well but I am currently using a rather over-sized zener from the inventory.
For proper design, I'm trying to determine what the power (or current rating) of the zener diode in the above schematic should be. The coil current of the relay is 80mA. Let's assume the zener has a breakdown voltage of 24V.
If the coil current is 80mA and zener voltage 24V, then power dissipated is approx. 2W - but this is a continuous rating, isn't it? How do I choose a zener with enough current and power rating that it will withstand the kickback effect of the relay?
Also, you say that if the Zener can handle 24*80mA, it will not die immediately. Will it die eventually if I pick it based on that rating alone?
– Saad Jan 25 '15 at 10:57