25

This will show my naivety when it comes to alternating current... but why are some plugs and sockets on AC outlets polarized (one prong is taller than the other)?

(See this question on DIY.) (Or this one.)

My thought is that if the current is alternating that the hot and neutral effectively switch roles every 60th of a second. (50 if you're in Europe!)

I can't seem to wrap my head around why any device would care which line is hot or neutral, since the current coming into the device might come from either side. Wouldn't the safest option for implementing an on/off switch be to disconnect both sides for off?

Phrased differently, if I connect only neutral to a device, why doesn't it conduct to ground in the same manner as the hot line?

JYelton
  • 34,119
  • 33
  • 145
  • 265

8 Answers8

29

My thought is that if the current is alternating that the hot and neutral effectively switch roles every 60th of a second.

The currents through both pins are equal and opposite, but the voltages on each pin are not. The neutral is roughly 0 V relative to the Earth at all times. The hot alternates between positive and negative.

endolith
  • 28,734
  • 24
  • 119
  • 184
12

It's all to do with how the power is transformed from high tension to normal mains voltages.

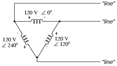
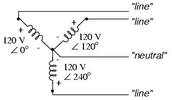
The power is transmitted across the country in 3 phases. There are two types of 3-phase electricity - star and delta. Delta uses 3 cables, and the power is split between them 120 degrees out of phase. When it comes to your local substation the power is fed through a transformer which switches it to "star" 3-phase. In this arrangement there are 3 live (or hot) wires and 1 neutral. The 3 coils of the transformer are linked together at this neutral connection, and, in relation to the other three lines, it has zero power. It is neutral. Very often this is also linked to earth at this point as well.

Star:

enter image description here

Delta:

enter image description here

As far as plugs go, if the power is being fed into a transformer internally to reduce the voltage, then the connections really don't matter which way around they go.

Some systems will employ switches and fuses and such in the input power, and this is best handled by the live connection, not the neutral, so a polarized plug helps ensure this. There are also grounding and 'commoning' issues to be taken into consideration.

Majenko
  • 56,223
  • 9
  • 105
  • 189
  • 3
    +1 for some excellent diagrams as well. However I still feel the question is unanswered. If I understand correctly, at the mains power for a given wall socket, the hot is one of the three phases, and neutral is neutral. If neutral is tied to ground, then why are neutral and ground separate? – JYelton Jun 09 '11 at 23:01
  • 10
    Ground is a local connection, neutral is a remote connection. The purpose of neutral is to complete the circuit to the substation. The purpose of ground is (among other things) to cause a large current to flow in the case of a fault triggering an over current device (fuse) to blow. Ground is connected locally just outside your house (it sometimes has a link back to the substation as well, known as "PME"). – Majenko Jun 09 '11 at 23:06
  • @Matt thanks for that! That helps make the purpose of neutral vs. ground much more clear. – JYelton Jun 09 '11 at 23:19
  • 4
    Ground is intended to be 'safe' in that it should never carry any current unless there's a fault. If AC ever gets routed to the ground, there should be high-enough current drawn to quickly activate a protection device (a fuse, breaker, etc.) and render the circuit safe. – Adam Lawrence Jun 09 '11 at 23:37
  • The similarity between the images suggests that they use the same voltages, and therefore it would make more sense if the delta voltages were 208V ($120V \times \sqrt{3}$ – stevenvh Jun 26 '11 at 07:29
  • $Vl = \sqrt{3} \times Vp$ – Majenko Jun 26 '11 at 08:38
  • 1
    Instantaneous voltages of each phase: $Vr = Vp \times sin(\omega t), Vy = Vp \times sin (\omega t - 2 \pi / 3), Vb = Vp \times sin (\omega t - 4 \pi / 3)$ The sum of $Vr + Vy + Vb$ should equal 0. – Majenko Jun 26 '11 at 08:41
  • The current through a device goes back to you power board through the neutral wire. This has low, but finite, resistance: so there will be a small voltage drop. The earth wire, by contrast, should have zero current. "Earth Leakage Circuit Breakers" compare the current on active & Neutral: if theyy balance, all is well. An inbalance means something is shorted to earth... and the breaker trips. – Alan Campbell Sep 28 '14 at 13:19
8

The neutral and ground lines are tied together in your load center, and both are connected to a big copper stake in the ground. The only difference is that the neutral line is intended to have current flowing through it, while the ground line is not supposed to have current flowing through it.

While interrupting a neutral line with current flowing through it would expose you to high voltage, there's little to no potential on a properly functioning neutral line between the wire and the ground, so you can't be shocked.

Research GFIC (Ground Fault Interruption Circuit) sockets to learn about how this property has been applied.

Kevin Vermeer
  • 20,067
  • 8
  • 57
  • 102
7

As long as there is no fault in the appliance, polarization makes no practical difference. If there is a fault, however, polarization helps to reduce the potential for shocks or fires. A typical appliance gets its electricity through two wires, a “hot” and a “neutral”: one attaches directly to the working parts of the appliance, the other goes through the appliance’s on-off switch. The appliance doesn’t care which. But humans using the appliance do care: polarization makes sure that it is the “hot” wire that goes through the switch of the appliance, so that as long as the switch is off, no electricity is even entering the working parts of the appliance. For example, if a lamp is properly wired with a polarized plug into a polarized outlet, and it is turned off, you could stick your finger in the lamp’s bulb socket without getting a shock. If the lamp is improperly wired, you would get a shock, even though the lamp switch is off.

David Johnson
  • 71
  • 1
  • 1
6

why would the device care which is neutral and which is ground? well as mentioned above (unless there's a neutral fault) you can't get a shock off of neutral - when you do the physical design of an appliance you have to put a switch somewhere and whatever's being switched somewhere - if you put the hot (active) side on the other side of the switch and the rest of the circuit (fuses, transformers, whatever) on the neutral side of the switch then when things are off there are fewer things that could shock you when the device is off - imagine someone stupidly changes a fuse without unplugging it, or the cheap vacuum cleaner's plastic case is damaged when a kid falls on it

Taniwha
  • 1,646
  • 9
  • 8
  • which is why proper wiring of outlets is important - the degree of safety offered by the neutral line being close to ground is defeated when hot is wired in its place. – Toybuilder Jun 10 '11 at 18:07
  • 2
    From a safety standpoint, even more important than a switch is a fuse. If e.g. a heater develops a short between part of its resistive element and something that is solidly grounded, the current through that path could vastly exceed the load for which the power cord is designed. If the device had a double-pole circuit breaker or a double-pole fuse (a pair of fuses with a mechanism such that if either tripped, both would disconnect) it wouldn't matter which side was hot, but generally devices only put overcurrent protection on one side. Note, btw, that... – supercat Dec 13 '14 at 19:56
  • 3
    ...having independent fuses on both leads is generally more dangerous than only fusing the hot wire. For example, if a heater which had the neutral wire shorted to the case were plugged into a grounded outlet with hot and neutral reversed, it would pop the fuse on the neutral wire. If plugged into a properly-wired outlet, it would then appear to operate normally but all power flowing into the heater would be flowing out through the grounding conductor. Although grounding wires are nowadays required to be sized so they won't overheat from such usage, the situation is still very dangerous. – supercat Dec 13 '14 at 20:05
4

If a device has a means of disconnecting power (whether via manual switch, fuse, or automatic safety device), leaving the neutral wire connected while hot is disconnected will be safer than having neutral disconnected while hot is connected. Consequently, many devices are required to ensure that it is not possible to disconnect the neutral wire without simultaneously disconnecting the hot wire. While that could be done via use of interlocked hardware that disconnects both wires without regard for which is hot or neutral, it's generally easier and cheaper to require that a particular wire be hot, and simply disconnect that one.

supercat
  • 46,736
  • 3
  • 87
  • 148
1

Well as far I have read, its because safety. For EX. light bulb bottom contact is hot and and screw shell is neutral, so to be shocked you must touch bottom while during unscrewing you are safe to touch thread. For time i tought because rotation of motors in some devices that is important but then again 50% of citizens would sweat while 50% would get cooled by fan which ofc is impossible...

-3

If s device has a malfunction, and a hot wire is frayed and touched the outside of the case, and you walk up to the puddle of water on the floor at your dying clothes dryer, and touch the case, you become a giant light bulb and light up the night sky. If the ground line is tied to the case/frame of said clothes dryer, when the frayed wire touches the case, massive current tries to light up the dryer, and you blow a circuit breaker/fuse. You don't get your bulb burned out. To specifically answer the question, the on/off switch as the hot wire enters the case is turned to the off position, there isn't any A/C voltage in the case beyond that point, that's safer. For small things without a switch, polarity isn't of much value.

SimplyT
  • 11