I am struggling with the calculations of the current limiting resistor for my circuit so I wanna ask you guys for help. I've tried doing this calculations on online calculators and by myself with math but the results i get are all different from different sources.
I have 9x 1W green LED's which I want to drive using 12V 2A switching power supply but by my lame beginner electronics calculations that's not enough it seems and this is why I need your help too.
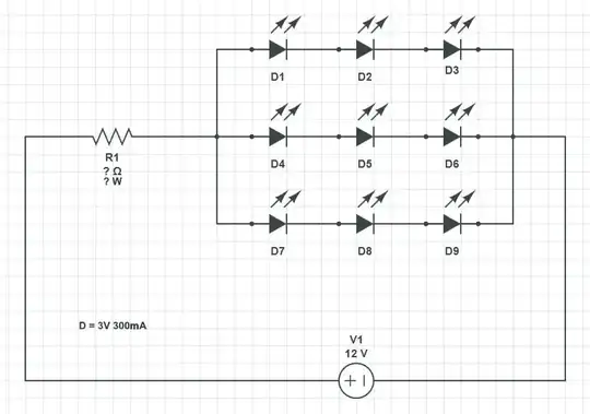
This is the scheme I am trying to figure out:

Most of my calculations are suggesting that for R1 I need to use 3,9ohm 5W resistor. As noted on the image each LED should be supplied with 3V 300mA. I read many different resistor calculations but I cant figure out the right way for my circuit since I don't really know many things in electronics. I would appreciate if any of you could provide explanation how to calculate such circuit and help me out, or if you have any better idea of how I should build this thing. I will make a video about my build and post it on YouTube and I will make sure to mention all of you.

