2

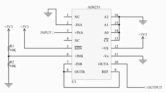
I am using AD8231 instrumentation amplifier in unity gain configuration. I used the inbuilt op-amp to provide reference voltage as the datasheet suggests. A 4.4kHz sine wave generated with my professional signal generator (PC sound card) is fed into the non-inverting input of the in-amp.

enter image description here

Channel one is the input signal and channel two is the output of the in-amp. For some reason the output clamps near the reference voltage (1.6V). enter image description here

The circuit is built on a breadboard and I haven't used decoupling and filtering capacitors since I'm prototyping. Here is a photo of the breadboard in case it helps:

enter image description here

Null
  • 7,603
  • 17
  • 36
  • 48
Ashton H.
  • 801
  • 8
  • 19

1 Answers1

5

Table 3 on page 5 of the linked datasheet gives a minimum input voltage of 0.05 V. It looks like you are driving the input voltage at +INA to below ground, so you are violating this requirement.

Probably there are esd protection diodes on the input pins that are short-circuiting the input to ground when you try to drive it negative.

The Photon
  • 129,671
  • 3
  • 164
  • 309
  • Damn, it seems to be the case. I thought that setting the reference voltage to mid-supply will offset the input signal and allow the inputs to go negative. – Ashton H. Apr 22 '15 at 22:31
  • 3
    If you offset the -INA input and also center the input signal around that voltage (for example, by ac-coupling), you should be able to get the results you want. – The Photon Apr 22 '15 at 22:38
  • 1
    Alos, the REF input probably only affects the last stage of the amplifier. The input stages most likely are not affected at all by what you do wit the REF input. – The Photon Apr 22 '15 at 22:39
  • I don't really "get" a single supply instrument amp. The sample circuit in the spec sheet are all for split supplies. – George Herold Apr 22 '15 at 23:39