I have a circuit input which provides a voltage range of negative 2.5 volts to positive 2.5 volts. How do I change this so the output voltage is 0 - 5 volts?

simulate this circuit – Schematic created using CircuitLab
I have a circuit input which provides a voltage range of negative 2.5 volts to positive 2.5 volts. How do I change this so the output voltage is 0 - 5 volts?

simulate this circuit – Schematic created using CircuitLab
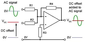
There are several ways to do this, for instance using an opamp to sum 2.5V to your signal:

This is an inverting summing amplifier, so for \$R1 = R2 = R4\$, the output would be \$Vo = -(V_{AC}+V_{DC})\$
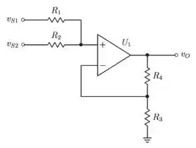
If you want to keep the phase of the signal, a non-inverting summing amplifier would be like this:

In this, \$R_3,R_4\$ control the gain of the amplifier, and \$R_1,R_2\$ act as a resistor divider. Analysing this, we get that the output is \$V_{o} = V_ {inop}(\frac{R_3+R_4}{R_3})\$, and from the resistor divider \$V_{inop} = \frac{V_{s1}R_2+V{s2}R_1}{R_1+R_2}\$
If we make \$R_2 = 2R_1 \$ we get \$V_{inop} = \frac{2V_{s1}+V_{s2}}{3}\$.
Substituting this in the first output equation, and making the gain \$2/3\$ by choosing \$R_3 = 2R_4\$, then the final output will be the desired \$V_{o} = V_{s1}+\frac{V_{s2}}{2}\$, being \$V_{s1}\$ the -2.5V to 2.5V AC input signal and \$V_{s2} = 5V\$ in this case.
In page 6 here you can also find a few different examples to offset signals using opamps: http://www.ti.com/ww/en/bobpease/assets/AN-31.pdf