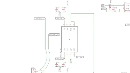
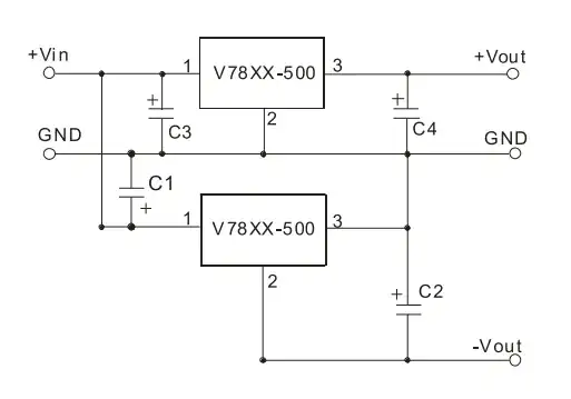
I made a PCB board (my first one) recently and I ran into some issues with it while troubleshooting. The PCB board is connected to an Arduino and draws 5V and the 3.3V supply from it. Also, the board and the Arduino shares a common ground. Since I need + and - 3.3V and 15V on the board, I used a 5-15V converter (After I get the + and - 15V I divide it to + and -3.3 V). When I assembled the board I ran into a problem which I need help troubleshooting. If I ground the +3.3V terminal and just use the -3.3V, I get -3.3V at both the ICs and vice versa. However, If both +3.3 and -3.3 V are present on the board, the ICs get +1.5V and around -0.92 V. I really do not understand what's going on. Would a buffer fix the problem?

