-3

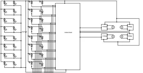
I have created the below mentioned circuit diagram:

enter image description here

I just wanted to know that have I drawn a good/correct diagram or should I make any changes to this diagram? I have not added the resistors in diagram to make this diagram look simple.

Here is the use of this circuit: Rotating a motor according to calculated output

Vishal
  • 203
  • 2
  • 15
  • It depends on what this circuit is supposed to do. If it is supposed to be a radio it is not correct. – Curd Jun 30 '15 at 12:40
  • Yes it is correct for "some use" but possibly not the use you intended. Leaving resistors out of a circuit diagram is totally foolish of course. – Andy aka Jun 30 '15 at 12:40
  • 1
    You should add a link to your other question, and mention that this diagram is trying to accomplish the task in that question. – JRE Jun 30 '15 at 12:45
  • The drawing shows the cathodes of all the photodiodes, and all the Arduino inputs, shorted together, and grounded. – Peter Bennett Jun 30 '15 at 15:40

1 Answers1

1

As a block diagram for the idea in this question, that is a start.
It is, however, only a block diagram to show the concept. As mentioned in the other question, you will (probably) need more than just a photodiode on your inputs.

I would suggest you setup a single photodiode on a single input and see how it responds before you go connecting a bunch of them.

Your H-Bridge drawing is very strange. There are usually four transistors driven by two control signals and just one motor. Your diagram seems to show four motors, each driven by a single control signal. A single line isn't enough to reverse the motor as you said you wanted to do in the other question.

Also remember that you will need resistors for the LEDs, and that putting LEDs in parallel as you have them is a bad idea.

Also note, you must use the correct Arduino. An Arduino Uno, for example, doesn't have enough IO pins. You should mark on your diagram which Arduino you are going to use.

JRE
  • 71,321
  • 10
  • 107
  • 188
  • Thank you @JRE. I have tested this with a single PhotoDiode and it works fine. So, now I want to connect them up and have my programming logic in Arduino board. Actually my question is not very clear. I just wanted to ask that is the connections of PhotoDiodes to Arduino board correct? Also, if you can help then can you please tell me which Arduino board should I use?? – Vishal Jun 30 '15 at 12:48
  • Check the specifications (https://www.arduino.cc/en/Products.Compare) - it is fairly obvious which ones could be used (there are only 6 that have enough I/O pins.) – JRE Jun 30 '15 at 12:52