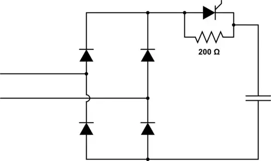
I am designing a 10 kW rectifier (single phase, 230 V, 50 Hz, 44 Arms, 62 App) with power factor correction (a bridgeless boost DC-DC converter working in continuous conduction mode). All works perfectly except the enormous inrush current need to charge the capacitor (1 mF) in the first quarter cycle (>>100 A). I also want to limit capacitor charging current in the case of few cycles power lost, so I need an active solution instead of a passive one, ie. thermistor. What are the most common strategies to deal with this problem?
I am using this topology:

