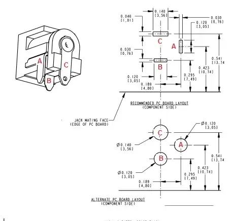
I have a PCB mount Right-angle DC Barrel Plug with three connections and am wondering if it is a switched jack as described in the thread What to do with third contact in DC barrel plug with only two input contacts and if so how to tell (like this question How do I tell sleeve from sleeve shunt on this connector?) (apart from the inside connection) which one is the sleeve and sleeve shunt or if one is just for mechanical support.
I do not yet have the jacks I am going to order them however I am currently making the pcb and wish to send it away before they would arrive otherwise i would simply test with a multimeter.

