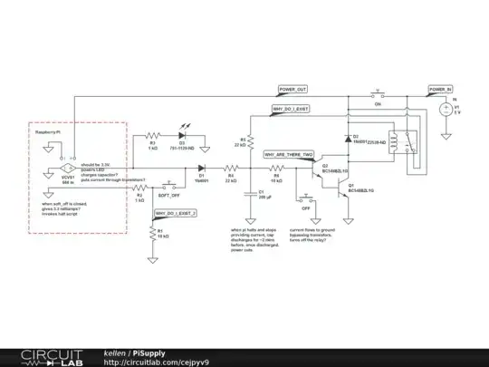
Rather than just answer your questions, I thought I would step through what is actually happening in the circuit to help you understand what is going on.
Let's start with time t = 0, when the Pi is turned off.

At this time, the relay coil is off, but 5V is still flowing through normally closed switch to C1, the resistors, and the darlington transistors. This current flow through R5 and R6 turns on the base to Q2, which I believe you now know is part of the Darlington Transistor pair, used for increased amplification (although an N channel MOSFET would be more efficient here).
Now, let's see what happens when you press the 'ON' Button at time t = to.

Now, there is a path from the 5V source to the Pi input as well as directly to the top of the relay coil. The capacitor C1 will keep the transistors ON for long enough for the relay coil to full activate, causing the internal switch to move. Note, in this state, there is no path through the relay switch - it is in between states!
Once the ON button is released, the Pi is fully powered and starts producing its own 3.3V power rail. Let's see what this looks like at time t = tn.

At this time, the relay is keeping itself turned on. The voltage keeping the coil activated is getting there through the relay switch itself! Also note, that now the transistors are kept ON (grounding the coil) by the 3.3V line coming from the Pi. This also illuminates the indicator LED.
The circuit will happily stay in this state as long as the power supply puts out 5V, but what happens when one of the off buttons is pressed? Let's find out! Will call this time t = tx, and the 'Soft_Off' button is pressed.

This one is really simple. All this does is provide a path for 3.3V to flow through the resistors R1 and R2, overpower the weak pulldown resistor R1. This sends a positive voltage through R2 and into the Pi, which I assume is to be used with a shutdown script to safely shutdown the Pi's OS. R2 is there to limit the current flow into the I/O pin.
Lastly, let's see what happens when the 'OFF' button is pressed at time t = tz.

Again, this one is pretty easy to understand. When the 'OFF' button is pressed, a direct path to ground is seen at the base of the transistor Q2, which turns the pair off. This removes the ground from the coil, turning the relay off as well. Again, this is a transitional phase. The relay switch will still be ON for a moment, and the Pi will still be powered. The voltage on the lines will fluctuate until it all settles to the initial state we saw at t = 0 again. This shouldn't matter, as long as you are properly shutting down the Pi (with the soft_off button) before turning the power completely off!
One last point - While Diode D1 is there to simply allow the one-way current to flow when the Pi is powered on (see time t = tn), the Diode D2 is there for protection against voltage spikes from the relay coil. It is called a Flyback, snubber, freewheel, suppressor, or clamp diode (depending upon who you ask). Check out the Wikipedia article!