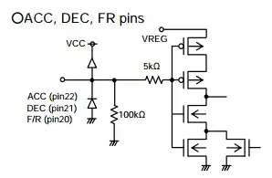
I recently took apart an HP LaserJet 1320 laser printer to salvage parts from it. Along with 3 solenoids, a fan, lots of gears, 83 springs, and 71 feet of wire, I got a large brushless DC motor with an integrated driver board with the part number RK2-0419 made by Nidec rated for 24V at 1.3A. Since I could not find anything useful by looking up the part number, I decided to look up the driver chip on the board (BD6761FS) and I found a datasheet. The connector on the motor has 5 wires: Vcc, FG, /DEC, /ACC, and GND. Going off of this EE Stack Exchange question about a similar motor salvaged from an HP printer, I decided to connect 24V from a switched-mode power supply capable of supplying 1.75A to the Vcc and GND pins of the motor. The motor immediately started drawing 28 milliamps from the power supply and the driver chip got slightly warm. I did notice that the motor shaft was very hard to turn by hand when power was connected. Following the datasheet and the previous Stack Exchange question, I connected the /ACC pin on the motor to the ground on my power supply. The motor did not move and still only drew 28mA. Nothing happened when the /DEC pin was grounded, along with grounding both the /ACC and /DEC pins.
How should I get the motor to work?
