
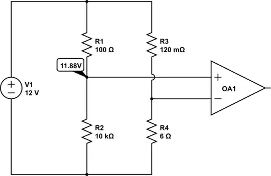
simulate this circuit – Schematic created using CircuitLab Hi! I am in need to make a high-side current monitor for detecting whether load (R1) is present or not. As currents running through my system are in range of few amps, I have tried my best with a small shunt resistor to keep voltage drop below 0.3V and used comparator in hope to get binary output. Unfortunately the output of the system is also high in absence of load.
Could you suggest me some simple solution to this (potentially) trivial problem?
