OK, here are my tips
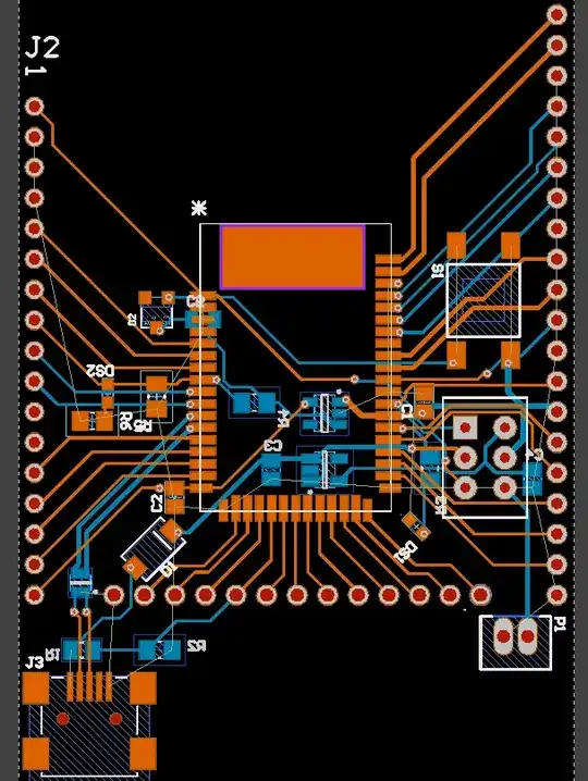
0) As has been noted, do not place vias within SMT pads.
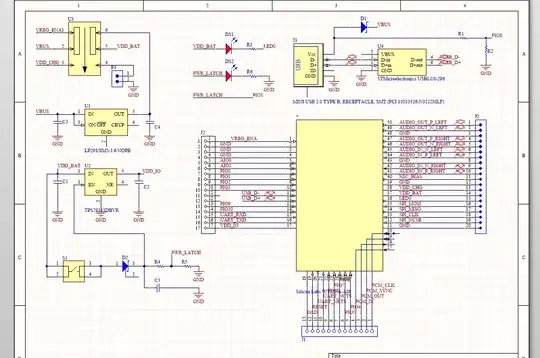
1) Start with ground and power. Ground is the most important single entity on your board. The higher your signal frequencies the more important a ground plane is. This means that USB (480 MHz) is a real stressor and Ethernet (100 MHz) is only marginally better. Power planes are nice but not as important. Make all power traces as thick as you can, and provide decoupling capacitors (0.1 uF ceramics are a good default value) as close to the ICs as possible. In general, try for one decoupling capacitor per power pin. The consequences of inadequate ground and power routing/decoupling can be bizarre beyond belief. If your voltage regulators are located off the board, include at least one larger decoupling capacitor per voltage, 10 uF to 100 uF is a good start. For preference, tantalum or MLCC. Avoid aluminum electrolytics in digital applications - they tend to have lousy high-frequency characteristics.
2) Only after you have a good solid ground plane established should you start running signal traces. Give first priority to high speed and analog signals. Signals like audio need some care to keep them away from digital lines as much as possible: the human ear can detect distortions in sound in a very sensitive manner.
3) Be extremely wary of thinking you can scrimp on layers to save money, especially for either high-frequency or mixed analog/digital boards. USB or Ethernet counts as high frequency.
4) Put reference designators on every part.
5) Learn how to design controlled-impedance lines, both single and differential.
6) Unless you will be soldering parts on the board by hand, avoid placing parts on both sides. This will increase assembly costs substantially.