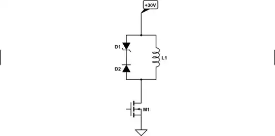
In the schematic below, I would like to know the best way to dissipate the FreeWheel Current in the very shortest time possible.

simulate this circuit – Schematic created using CircuitLab
In the schematic below, I would like to know the best way to dissipate the FreeWheel Current in the very shortest time possible.

simulate this circuit – Schematic created using CircuitLab
The fastest current decay will be achieve when you allow the coil voltage to rise to the maximum possible voltage. That is also the hardest on the transistor.
Possible approaches are a resistor and series diode or a Zener clamp or even an avalanche- rated MOSFET.
The only way to stop a current in an inductor is to apply a reverse voltage. When you open-circuit an inductor that has current flowing through it, the inductance itself provides that reverse voltage.
So, stopping the current in the minumum time really boils down to just how much reverse voltage the rest of the circuit can tolerate. For example, you could use a 200-V MOSFET and put a 150-V zener diode across the coil, which will cause the current to ramp down 6× faster than it would if you used a 60-V MOSFET and a 25-V zener.

simulate this circuit – Schematic created using CircuitLab
The regular diode in series with the zener is required to prevent the zener from passing current in the forward direction when the MOSFET is on. Note also that the MOSFET experiences a voltage pulse that is equal to the supply voltage PLUS the zener voltage. You can also replace the zener with a power resistor, assuming you have a pretty good idea what the worst-case inductor current is.