3

I'm completely new in this field (electronics, I began today) and therefore I am quite the newcomer and would like to know if I understood the purpose of the transistors and capacitors and the diagram in a whole.

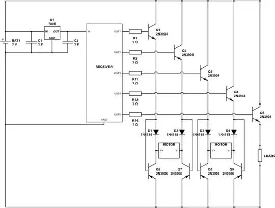
This diagram is made for a remote controlled electronic electromagnetic toy crane.

LOAD 5 is the part where the electromagnet is supposed to be.

The crane is made out of primary scrap parts and therefore I do not know the voltage of the battery yet.


Diagram:

schematic

simulate this circuit – Schematic created using CircuitLab


My current understanding of the transistors and capacitors:

A NPN transistor can work like a switch. If at the base is applied a current it will allow the current from the collector to be emitted out through the emitter.

A PNP transistor can also work like a switch, if at the base there isn't applied a current it will allow the current from the collector to flow out of the emitter.

A capacitor can be used to stabilise the current and work as a backup source if the voltage drops aka it will try to make the current stay constant.


So to sum it up:

  • Would this work?
  • Did I use the transistors correctly?
  • Did I use the capacitors correctly?
Daniel Tork
  • 1,428
  • 17
  • 39
  • 3
    You're coming on quickly and +1 for the schematic. Unfortunately you've skipped a few lessons in basic transistor theory, some of your statements aren't correct and there are a few problems with the layout. I'll leave it to others to help you this time. Bedtime where I live. Meanwhile look up H-bridge for DC motor. – Transistor Jul 11 '16 at 21:57
  • Your NPN description is roughly correct. If Base voltage is ca. 0.6 v higher than emitter voltage , current will flow and NPN will conduct. Your PNP description is incorrect. No Base current means no conduction. – Dampmaskin Jul 11 '16 at 22:49
  • So what you are saying is: NPN - If the voltage in the base is 0.6 V higher the current will flow. PNP - If there is a current it will flow? – user1509104 Jul 11 '16 at 23:00
  • By inspection, NPN transistors Q1 through Q5 are operating in forward active mode (signal amplifier mode) and not saturation mode (switch ON mode). Ordinarily, you want these transistors to operate like ON/OFF switches (saturation/cutoff modes) and not as signal amplifiers (forward active mode). Note that there is a voltage drop across the components that are connected to the emitter of each NPN transistor. That voltage drop causes negative feedback which prevents the transistor from saturating; thus the transistor is stuck in forward active mode when it is "on". – Jim Fischer Jul 12 '16 at 06:23
  • When using a bipolar transistor as a switch, connect the emitter directly to the power supply. For NPN transistors, connect the emitter directly to the power supply's NEGATIVE terminal. For PNP transistors, connect the emitter directly to the power supply's POSITIVE terminal. For MOSFETS, remember "SOURCE to SUPPLY", and again, NMOS's source to NEGATIVE supply, and PMOS's source to POSITIVE supply. – Jim Fischer Jul 12 '16 at 06:25
  • Also, PNP transistors Q6 through Q9 are not going to turn on as shown. For a PNP transistor, the voltage at the base must be about 0.6V BELOW the voltage on the emitter--i.e., VBE >= -0.6V. By inspection, this biasing condition cannot happen in the circuit as it is currently drawn. – Jim Fischer Jul 12 '16 at 06:35

1 Answers1

1

There are more things that you can learn about this design.

Let's start from the upper left corner of the schematic.The part with the label "7805" on it is a voltage regulator,and it's part of the linear family(which is noted for the amount of heat it generates compared to switched regulators).That means it will dissipate some of the voltage you put at the input in the form of heat in order to maintain a fixed voltage at the output(5V in our case).Its presence in the circuit can guide you to on how to choose a battery:this regulator needs an input voltage of at least 7,5V and up to 35V.So any battery or any battery setup in this range will work.

You specified something about the capacitors.Their role is to keep stable the operation of the 7805(to add a maximum of reliability to its operation,to make sure the IC works ok).They don't work as you mention here.Something similar to what you said can be seen in the design of the DC-DC boost converter.Fortunately,it's easier to choose their values.A 330nF for C1 and a 100nF for C2 will do.These are the values indicated by its datasheet.Also,see this question for more information. Let's pass to the transistors.A transistor can work in three modes:active,saturation and cutoff.As Jim Fischer stated in a comment,and as I see the way it's intended to function,the transistors should be in saturation,although I don't know what the motors are for.A saturated transistor acts as a current controlled switch.Once a current runs through the base,another current will have a path to flow through the collector.Resistors are chosen carefully so there will be more current through the base than the collector needs,making sure that the transistor turns fully on. There are two types of transistors in the schematic:NPN and PNP.The difference between them is the polarity,so also a difference in the way they are connected to circuits.What I said applies fully to the NPN type.Here comes into play another dissimlarity:the keywords for this one are IN and OUT.The PNP is related to the second.The amount of current that flows out the collector is controlled by the amount of current that flows out of the base and this ultimately sets the current through the emitter.The emitter connects to the positive supply rail,not the the negative side of the battery,as shown in your post,so the PNPs won't work.They are connected wrong.

schematic

simulate this circuit – Schematic created using CircuitLab

It will help you understand everything better if you search around the web for the things I mentioned.

Daniel Tork
  • 1,428
  • 17
  • 39