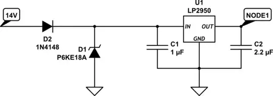
Based on this and other material I’ve read, I should have a diode for reverse polarity protection and a TVS for load-dump protection in an automotive circuit. I have prototyped the circuit and its associated load (an ATtiny85 at NODE1) without the diodes and everything works as desired, but I want to add appropriate protection. I would like the circuit to be compatible with both 12V (~14V) and 24V (~28V) automobiles with replacement of the TVS. I believe D2 could be one of any number of diodes like the 1N4148 shown or a 1N400x series diode. Because I don’t want any voltage leaking past D1 under normal conditions, I think a P6KE18A (VR = 15.3V) would work for a 12V system and a P6KE36A (VR = 30.8V) for a 24V system.
Do those diodes seem reasonable?
Is there a better approach or different values I should use?
With 28V approaching the 30V max input of the LP2950, should I also consider something else to lower the input voltage of the 2950?

simulate this circuit – Schematic created using CircuitLab
How to select power line polarity protection diodes http://www.eetimes.com/document.asp?doc_id=1279734
Transient Voltage Suppressors (TVS) for Automotive Electronic Protection http://www.vishay.com/docs/88490/tvs.pdf
Fairchild TVS Data Sheet http://www.farnell.com/datasheets/1725637.pdf?_ga=1.259177292.759527797.1468595075
How do I protect against an automotive load dump? How do I protect against an automotive load dump?
Vpto denote peak voltage, but the equations refer to it asVs, which can be confusing at first. – pfabri Jul 07 '21 at 10:57