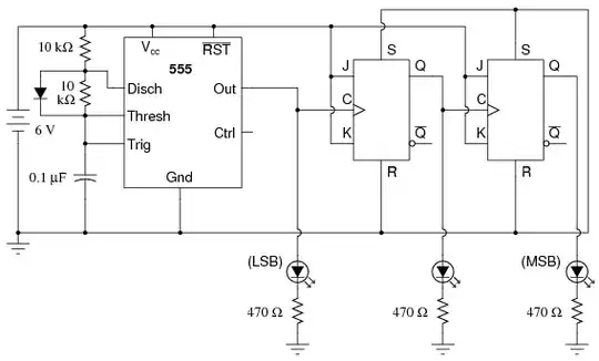
Technically, that's a 2-bit counter which uses the clock state as a pseudo-bit. If the only problem you have with it is that it appears to count down and you want it to count up, you can simply change the LED connections, as so

simulate this circuit – Schematic created using CircuitLab
In the original, a high voltage produces a voltage across the LED/resistor and turns the LED on. In the new configuration a high produces no voltage and the LED is off, while a low voltage turns it on.
The requires that the logic you're using be able to sink currrent (suck it it) rather than source current (push it out), and you should be aware that if you're using the old 7400/74LS00 series ICs, they are not at all good about sourcing current, and the second approach is the preferred one if you want to get any brightness out of the LEDs.
With the LEDs changed you'll see that, in the original sequence, all 1's become 0's, and vice versa. Map out the new sequence and you'll see that it now counts up.