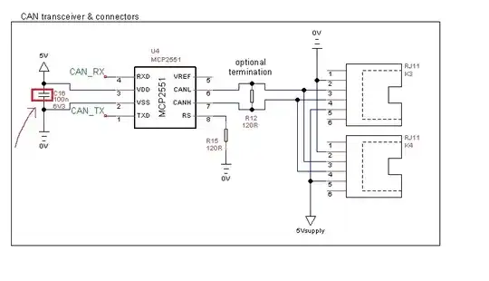
I'm trying to make my STM32 communicate VIA Can. Therefore I'm making use of the CAN transceiver MCP 2551. In many circuits I've seen a 100 nF between Ground and Vdd. What is the reason for that? Here an example:
Asked
Active
Viewed 3,388 times
1
try-catch-finally
- 1,266
- 3
- 19
- 37
cylex
- 79
- 2
- 6
-
4This is just a decoupling (bypass) cap. See http://electronics.stackexchange.com/questions/2272/what-is-a-decoupling-capacitor-and-how-do-i-know-if-i-need-one/2278 also: http://electronics.stackexchange.com/questions/15135/decoupling-caps-pcb-layout/15143 – dim Dec 19 '16 at 21:13
1 Answers
2
It's called a decoupling or power supply bypass capacitor. It's used to reject noise from the supply pins of an IC.
calcium3000
- 2,516
- 1
- 16
- 43
-
Ok thanks! How do I determine which capacity is needed for a decoupling capacitor? – cylex Dec 19 '16 at 21:23
-
Dig around dim's links for some good suggestions and explanations if you're curious, but the most common (that I've seen) is 0.1uF. – calcium3000 Dec 19 '16 at 21:29