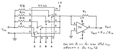
I'm creating Digital Voltmeter on ATmega16 with autorange to purpose. I just have a problem with designing autorange. Does anyone have a schematic of a voltage divider, and an algorithm for how auto-range should work?
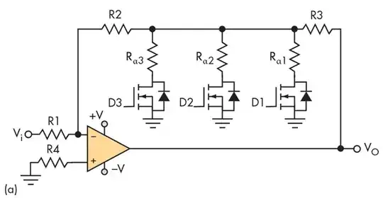
I heard about FET selectable resistor ladder but currently I don't know how use it in my project. I mean schematic and how to control it from microcontroller.
The Voltmeter should be very simple - it is a project for my studies, therefore I don't want to use any digital potentiometers or sophisticated circuits. The ranges may be 2 levels for example.





