4

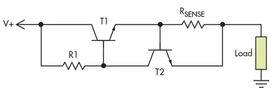
Schematic with R1 and Rsense undimensioned

I'm trying to design the current limiter circuit shown above which I saw on this website:

http://electronicdesign.com/power/current-limiter-offers-circuit-protection-low-voltage-drop

I'm using 18V - 24V supply and 2N2222A transistors. It must limit the current to 0.12A - 0.15A to the load so I have calculated that \$ R_{SENSE} \$ must be 3-4 ohms. I'm just unsure how to determine what the value of \$ R_{1} \$ should be.

I'm relatively new to electronics.

try-catch-finally
  • 1,266
  • 3
  • 19
  • 37
Alli
  • 43
  • 1
  • 1
  • 5
  • 1
    What range of value can the load be? – Andy aka Feb 23 '17 at 17:30
  • Well I'm Driving 24v 0.2A 3rpm geared DC motor. So Im not sure what the resistance of the load would be. Is there a way to calculate this? – Alli Feb 23 '17 at 17:35
  • Ohms law...though motors don't exactly resemble resistors well. – Bort Feb 23 '17 at 17:38
  • Okay then assuming 2V drop from the supply so 16V drawing by the motor with resistance about 0.12A ... the resistance is approximately 133ohms. How do I use this information to calculate R1? – Alli Feb 23 '17 at 17:43

3 Answers3

3

The 2N2222 can dissipate a maximum power of 0.5 watts so your biggest problem is that when the motor is stalled, the transistor is going to be dissipating over 2 watts of power and will rapidly expire.

So, choose a more powerful device for T1 and you will find that the resistor you ask about can be in the range of a few hundred ohms to maybe a kohm.

New section about R1

If you study the NPN BJT as an "emitter follower" (common collector) you will discover that the voltage on the base will be about 0.7 volts above the voltage on the emitter. It can't be much more (maybe a volt max) because there is a forward biased diode between base and emitter. It can't be much less else the transistor isn't being turned on very much so, generally speaking the goldilocks number is 0.7 volts. OK so far...

Now if your supply voltage is 24 volts and you need to provide (say) 23.3 volts at the emitter for the "load", the base has to be at (or about) 24 volts. But herein lies the problem because, to control the base voltage with the 2nd transistor (in order to control current), you need a resistor between 24 volts and base. This creates an extra volt drop because of the base current needed to switch on the BJT. OK so far?

The load is about 120 mA and operating the BJT close to saturation might mean a gain as low as 20 hence, the base current needed is 6 mA. But, T2 doesn't want to control T1 with a small value of R1 because it might have to become a power transistor like T1 so, it's a compromise. R1 is chosen to drop maybe a volt at 6 mA which yields a value of 167 ohms.

The down side of this is that now, the emitter can only be raised as high as 22.3 volts on a 24 volt supply but, if you can live with that then all is good.

MOSFETs have other problems that can make life hard reaching a source voltage as high as the emitter voltage of a BJT but, things are made easier in the gate draws no appreciable static current hence R1 can be 10 kohm. Making it too high can cause problems in that the current limiting takes an appreciable time to kick-in.

It's a simple circuit but full ov subtle surprises.

Andy aka
  • 456,226
  • 28
  • 367
  • 807
  • Okay thank you. I have a MOSFET as well. Think I will use that. But how do I decide what the value of R1 must be? – Alli Feb 23 '17 at 18:03
  • With a BJT, you need to have enough current through the base to adequately supply the collector/emitter current to the load. This usually means realising that the bit gain will be possibly only 20 hence, base current might need to be 5 or 10 mA. Given that you only want about 1 volt across the resistor, this makes it between 100 and 200 ohms. – Andy aka Feb 23 '17 at 18:11
  • A mosfet doesn't have this issue because the gate draws no dc current hence 1000 to 10000 ohms would work but, there are some subtleties that can force you to go below 1000 ohms. – Andy aka Feb 23 '17 at 18:13
  • Okay so if I'm following the advice correctly from everyone. If I swop my T1 transistor with a mosfet and i use a 10k resistor I will beable to limit the current to my desired 0.12 A without damaging any component of the circuit ? – Alli Feb 23 '17 at 18:17
  • Yes that should be ok but the mosfet needs to be power rated accordingly, just like the bit. – Andy aka Feb 23 '17 at 18:18
  • Okay I don't quite understand the logic of why R1 will be 10k but I will just follow it if it works. Thank you everyone. – Alli Feb 23 '17 at 18:22
  • Do you more follow the argument for the value of R1 for the BJT compared to the case of the MOSFET? – Andy aka Feb 23 '17 at 18:26
  • OK I've added the R1 thing to my answer. – Andy aka Feb 23 '17 at 18:47
  • Okay Andy. Thank you for your response. I am slightly embarrassed but I only followed your explanation up to the first okay and half through to the second okay. The part where you were explaining about there having to be a resistor between 24v and the base is where I started getting quite lost. I did follow your explanation of the gain being reduced becuase of the operation close to saturation and then requiring 6mA however the sentencing starting "But" is where I got lost again. I apologize for my lack of understanding. – Alli Feb 23 '17 at 19:04
  • If you are keen on EE the get yourself ltspice. It's free and has a steep learn curve but, you can simulate to your hearts content and there is plenty of help to use it. I would not be without my spice sim. – Andy aka Feb 23 '17 at 19:14
  • Okay Andy thank you for taking time to explain this to me. I wish my knowledge was better so that I could understand what you explaining. I will definitely check itspice. – Alli Feb 23 '17 at 19:18
  • Sorry Andy I just want to clarify if I replace T1 transistor with the mosfet I still use Rsense to be 3 ohms and R1 to be 10k to achieve a load current maximum of 0.15 A? – Alli Feb 23 '17 at 19:35
  • Yes, and choose a mosfet with low Vgs threshold. Also put a diode across the motor so that when current is interrupted, the back elf from the inductive stored energy in the motor doesn't destroy the transistors by making a spark. Something else to research lol. – Andy aka Feb 23 '17 at 19:43
1

I think Andy did a great job at explaining things. Just to make you get a better feel of how it works in practice, I want to add some notes. Before T2 turns on, meaning when it's right at the tip of the saturation region, there will be a maximum of 0.2A current for Rsense=4ohms, assuming the base-emitter voltage of T2 is at 0.8V.

So the maximum current that you can get with the above specs is roughly 200mA. Now let's try to pick a value for R1. If the T1's gain is, say, 50, then the base current would be Ic/gain=200mA/50=4mA. So if you want a 1 volt drop across R1, then it's resistance should be around 1V/4mA=250ohms.

In case the load wants more than 200mA current, T2 will turn on and remove current from T1's base, hence the collector current of T1 drop. This is why it's called a limiting current circuit since it doesn't allow current to exceed a certain value.

dirac16
  • 1,794
  • 2
  • 13
  • 17
  • @Dirac thank you. Your exolanation helped me understand better what Andy was trying to explain to me. Regarding the mosfet design. how much voltage do I need at the base of the mosfet to switch it on? I read that I require a voltage as high as 12V? – Alli Feb 25 '17 at 22:46
  • So if R1 drops 1 V, T1 Vbe drops 0.6 V, and Rsense drops 0.8 V (200 mA * 4 ohms). The voltage at the output of the limiter would be Vin - 2.4 V (1V+0.6V+0.8V), correct? At the point the limiter starts to "kick-in." Or would you use T1 Vce to calculate the drop across T1, instead of R1 and Vbe. – mrbean Sep 13 '20 at 19:41
  • This current limiter seems pretty imprecise. I think the way to calculate the short circuit current limit is to realize that when the load is shorted, T2 is on, so T1 emitter is at 0.7V (T2 Vbe). T1 base is at 1.4 V (T2 Vbe so 0.7 V + T1 Vbe so 0.7 V). So the current through R1 is (Vin - 1.4)/R1. The current through Rsense is 0.65/Rsense. The current limit are the two currents added together, so (Vin -1.4)/R1 + 0.7/Rsense. Again this is a rough calculation. – mrbean Sep 13 '20 at 21:22
  • Seems like T2 is more like 0.68 V - 0.7 V range. So (Vin - 1.4)/R1 + 0.68/Rsense to (Vin - 1.4)/R1 + 0.7/Rsense. Again this is a rough calculation based on an imprecise current limiter. After running simulations, the current through T2 is actually pretty significant. – mrbean Sep 13 '20 at 21:30
  • To go even further, the transistors seem to be operating in the forward active region, according to the simulations, so collector currents should probably be calculated according to iC=IS*(1+vCE/VA)*e^(vBE/VT). – mrbean Sep 13 '20 at 21:37
0

how to determine what the value of R1 should be.

It needs to be as high as possible, yet sufficient so that t1 can get sufficient current to its base to get your desired current on the load.

I would assume a reasonable current gain for t1, like 50 for the kind of transistor and current targets. That means t1s base current of 3ma. I would probably run t2 at 2 to 3x of that, or 6 to 10ma.

Let's say that the whole limiter needs a minimum of 5v too work, the resistor sees 5v - 1.4v or 3.5v.

A 330r resistor will work. You can go higher if you relax the conditions more.

Dave Tweed
  • 172,781
  • 17
  • 234
  • 402
dannyf
  • 4,342
  • 1
  • 8
  • 9