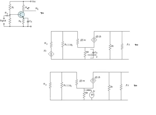
Doubt related to impedance seen by the bypass capacitor:
or
What is the impedance seen by the bypass capacitor \$C_E\$
To calculate the impedance as seen by \$C_E\$, we attach a Thevenin volatge source as shown.
Applying Kirchoff's current law:
$$ \frac{V_T}{\beta r_e+R_S||R1||R_2}-\beta I_B+\frac{V_T}{R_E}=I_T$$ $$\frac{V_T}{\beta r_e+R_S||R1||R_2}+\beta \frac{V_T}{\beta r_e+R_S||R1||R_2} +\frac{V_T}{R_E}=I_T$$ $$V_T[\frac{(1+\beta)}{\beta r_e+R_S||R_1||R_2}+\frac{1}{R_E}]=I_T$$ $$V_T[\frac{1}{\beta r_e+R_S||R1||R_2}+\frac{1}{r_e+\frac{R_S||R_1||R_2}{\beta}}+\frac{1}{R_E}]=I_T$$
From here I get the resistance as $$\frac{1}{R_e}=\frac{1}{\beta r_e+R_S||R1||R_2}+\frac{1}{r_e+\frac{R_S||R_1||R_2}{\beta}}+\frac{1}{R_E}$$
However in book, the resistance has been given as:
$$R_e=R_E||(\frac{R_s||R1||R2}{\beta}+r_e)$$
It seems the first term in \$\frac{1}{R_e}\$ vanishes! Where might have I gone wrong?
(I have referred to the following text book: Electronic Devices and Circuit Theory, by Boylestad and Nashelsky.)
