I have trouble figuring out common-mode voltage related topics.
I would like to illustrate my understanding first:
The below op-amp has two inputs: V+ and V-, as usual. And lets say the differential voltage is:
Vd(t) = (V+) - (V-) = sin(ωt)
Let's say there is a DC common-mode voltage. When we measure the voltage between V+ input and the system GND (could be earth) the oscilloscope shows this difference signal as: (V+) + Vcm. When we measure the voltage between the V- input and the system GND (could be earth) the oscilloscope shows this difference as: (V-) + Vcm. So the above circuit can be modelled as below:
Is the above model only valid when the - input is not system or earth grounded?
Now imagine we have a single-ended system with a floating signal source like a battery powered transducer. At the differential amplifier end the GND of the transducer is wired to the system ground as below (you see - input of the op-amp is earth grounded here):
In this case when we measure the voltage between V+ input and the system GND (could be earth) the oscilloscope shows this difference signal as: (V+) + Vcm. When we measure the voltage between V- input and the system GND(could be earth) the oscilloscope shows this difference as 0 V since the - input is wired to GND/earth. So can the above system be modelled as below?
And in a book I read the following about this configuration:
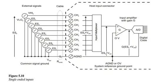
Here is a paragraph from the book for this configuration:
What does that mean here? Is common-mode offset error higher in this configuration than in differential signalling? I'm completely lost.





