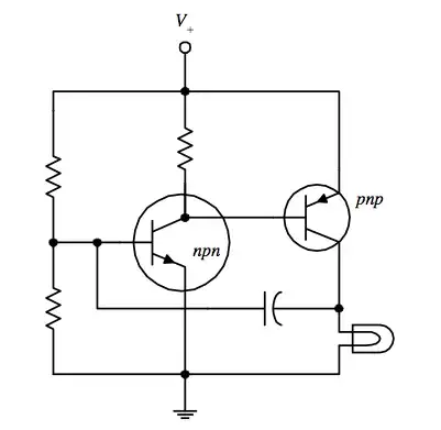
I was reading the Wikipedia page about the applications of capacitor, when I saw an example there for a simple oscillator circuit :
Yet I noticed the capacitor seems to be connected to the (-) terminal from both sides.
How can this circuit function when the capacitor is connected in such a way ? am I missing something here?
