I am trying to make a notch filter which blocks 500Hz, I beleive it should look like the circuit below. Any idea how can I find the proper values to make it not to pass 500Hz? I tried to give random values in LTSPICE but no success yet!

I am trying to make a notch filter which blocks 500Hz, I beleive it should look like the circuit below. Any idea how can I find the proper values to make it not to pass 500Hz? I tried to give random values in LTSPICE but no success yet!

I've never seen this circuit before, and I haven't analyzed it. In any case your opamp doesn't have DC feedback, so any input offset will make the output clip to the rails. See also this question.
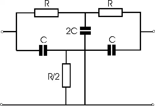
You don't need an opamp for a notch filter, they're often made as a twin T-filter:
The center frequency is
\$ f_C = \dfrac{1}{2 \pi R C} \$
The disadvantage of this is a low Q. The following active twin T-filter has adjustable Q:

TI offers an op amp design guide (pdf, link below). Ref Section 16-6 for band-rejection. As with most things, using an op amp gives you more design freedom than a passive circuit.