I've got a motor hooked up to +12V on one side and -12V on the other, being driven in both directions by a Motor controller (link). We were getting voltage spikes in the common ground after sending big impulses to the motor, so we put a flyback diode from the negative cable to the positive cable. However, this caused the motor to be less responsive in the reverse direction. How do we correctly prevent voltage spikes in the ground from this type of motor?
2 Answers
This question is very like Snubber diodes for a DC Motor with 2 relays but may turn out to be different when you supply the missing information - your switching arrangement.

simulate this circuit – Schematic created using CircuitLab
Figure 1. Possibly the schematic of OP's circuit.

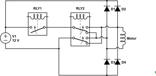
Figure 2. Using snubber diodes. In this configuration the maximum voltage that can appear across the contacts is 12 V + 2 x 0.7 V = 13.4 V.

Figure 3. Back to back Zener diodes. Zener diode voltage should be a few volts above supply voltage to prevent turn on or high leakage around the knee voltage.
The solution of Figure 3 is probably the most elegant as it uses only two components which can be placed at the motor and requires no additional wiring.
The snubber diodes or Zener diodes must be rated at full motor current as that is what will be diverted through them when the motor is switched.
- 175,532
- 13
- 190
- 404
If you need to clip in both directions use Zeners, set the voltage to 12.5V so they only turn on during flyback.
The clipping function of zeners looks like this:

Source : Electronics Tutorials WS
.

simulate this circuit – Schematic created using CircuitLab
- 82,181
- 41
- 84
- 220
-
I'm having trouble finding Zener diodes with high enough power allowance. I'm putting up to 70 Amps through this motor, so that comes out to at least a kW. Is there another way, or should I just use a bunch in parallel? – Lars Aug 03 '17 at 22:57
-
1The 70 Amps will not run through the diodes if the voltage does not run above the diode voltage. So what you need to protect against is the flyback current, which only happens when the motor is generating lots of back-emf. You need to know the value of this current, and how long it lasts. Then you can find a suitable diode. Lets suppose the motor puts out a spike of 15V that is 3A, and nominally the motor voltage never gets beyond 13V in normal condition. If I could only find 1A diodes I'd use 3 pairs 13.5V zener diodes in parallel – Voltage Spike Aug 03 '17 at 23:05
-
@Lars Hello, I know it's about 3 years late, but a 12V bidirectional TVS diode could do a better job, because it handles bigger surge currents, and switches faster. Never tried though, just an idea... – C K Jun 28 '20 at 13:31