In my design, say there are 2 pins A and B.
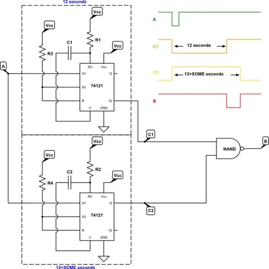
Now I want to implement circuit in such a way that B is initially high , but when A goes low, after 12 seconds B will go low for short duration and again will become 1. Is there any circuit which I can implement.
I tried below Monostable multivibrator as timer using IC555, but issue is that initially B is low as per configuration.

Required signals as below:
Can someone help me and suggest? Thanks in advance.


