First off, please forgive me if this is the worst design ever. I am just learning with experience.
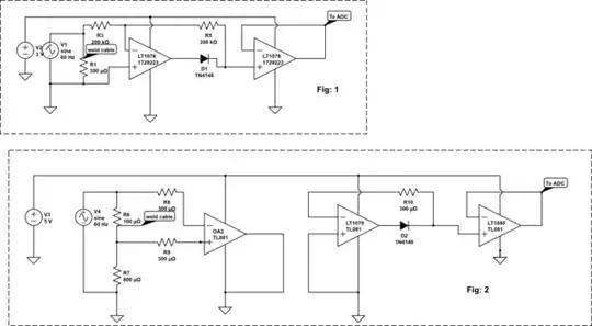
Here is a design for an AC current measurement

simulate this circuit – Schematic created using CircuitLab
I was following the article put forward by LT themselves. On LTSpice i get the same voltage as the input but i wanted a second opinion before i purchase the components. As a beginner to Opamps i can understand the article but not sure if my design is correct.
Thanks in advance.