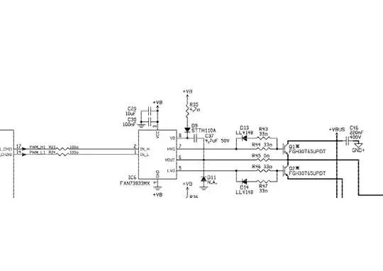
We have designed a board to control asynchronous single phase motor, using two half-bridge gate –drive IC (Fairchild FAN73833MX) and four IGBT (Fairchild FGH30T65UPDT) as shown in the scheme below.
Using a MCU we have implemented a 18kHz PWM control signal with a 1,5us dead-time, but we noticed that the outputs of the two drivers don’t respect this dead time and there’s cross-conduction issue.
For debug only we tried to use a longer dead-time (6 us) and powered the board at about 90 Vac by Variac, but this problem still exists. In the image below, you can see:
- Probe 1: high-side driver output (HVG, pin7) referred to GND;
- Probe 2: high-side driver input (IN_H, pin 2) referred to GND.
When IN_H signal goes to low level, the HVG signal follows IN_H with a variable delay (in the worst case, this delay is equal to dead-time, as shown in the image above).
What can be the cause?
Thank you in advance.
UPDATE:
When we connect the motor, we have a similar situation.
To better understand what happens if we connect an inductive load, we tried to estimate the following signals: - Q1 emitter current (probe 1); - Q2 collector current (probe 2); using two shunt resistors (1 ohm when we connect a resistive load, 0.1 ohm when we connect the motor). The first shunt resistor has been connected between Q1 emitter and Vout node, the second shunt resistor has been connected between Vout node and Q2 collector, so both probes are referred to Vout node.
As shown in the following pictures, when we connect a resistive load we find regular waveforms (with correct polarity in the signal measured by probe 2: positive polarity when Q2 is on), where dead-times (about 3 usec) can clearly be seen; but when we connect the motor we no more find regular waveforms (with variable polarity in the signal measured by probe 2: positive or negative polarity when Q2 is on) and dead-times cannot be seen. In this last case we can also see current peaks at the switchings (up to 30A). We think that the different behaviour is due to the motor inductive characteristics, but we are wondering if these conditions can be dangerous for IGBTs integrity and eventually what precautions can be taken.
Thank you in advance





