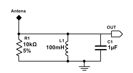
Hello I have just build colpitts oscillator, which gave me perfect 500Hz sinusoidal wave. So far so good. Now I would like to receive this wave in second circuit "receiver" and here problems start. I try to employ parallel RLC oscilator hopping that incoming wave wil resonate and produce output voltage across R. Here is the schematic of receiver:
Values were taken to receive 500Hz according to this formula:

So the resonant frequency is equal to 503 Hz
Scope Output ( Yellow - oscilator output | Blue - received output):
Problems:
- On the scope I monitor the received signal and the good news is, there is some small amplitude, noisy sinusoid. Is it the one I wish to receive? I think it is but I am not 100% sure. The freq on scope jumps back and forth from houdrends of hertz to kilohertz. On the flip side hovewer when I turn of osilator the received sin is also gone. So to summarise how to be sure that I received intened signal?
- As you can see received signal is small in amplitude and quite noisy. My goal is to clean it and amplify. Any suggestion in this regard, so I can drive a speak for example?
- The received signal (blue one on scope) seems to be a little bit out of phase. Is that normal?
- Assuming everything is fine and I receive correct signal, how can I calculate what is the range of my oscillator/transmitter. Any reference, text will be appreciated.
UPDATE:
Input impedance calculations for 500hz input signal:
Resistor -> 10k Ohm
Capacitor -> \$\ \frac{-j}{\omega c} = 7*10^-4j\$
Inductor -> \$\ j \omega c = 314 j\$
So the total inpedance -> \$\ \frac{1}{\frac{1}{R} + \frac{1}{Xc} + \frac{1}{Xl}} = 4,89 * 10^{-10} + 7*10^{-4}i\$
Thanks for help :)
