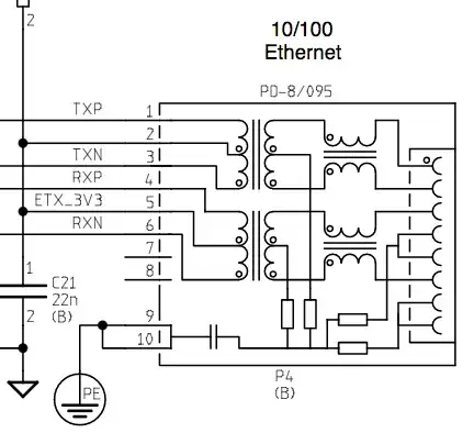
I'm building a system based on one of the old Raspberry Pi model B's (yes, first series) into a very small enclosure. I need to run an Ethernet cable from the POE splitter I have in this enclosure to the RJ-45 connector on the Pi's board, but I find I don't have enough room to do it (at least, not without creating a very small -- three inch -- cable.) I'm wondering if I can simply desolder the RJ45 jack and solder the Ethernet cable directly to the board itself, but I find that there's a lot going on in that jack:
Given all this "stuff" in there, would soldering the wires directly to the board even work?
