I found many disussions on the internet regarding this issue, but as an engineering noob I cannot get a proper circuit working :(
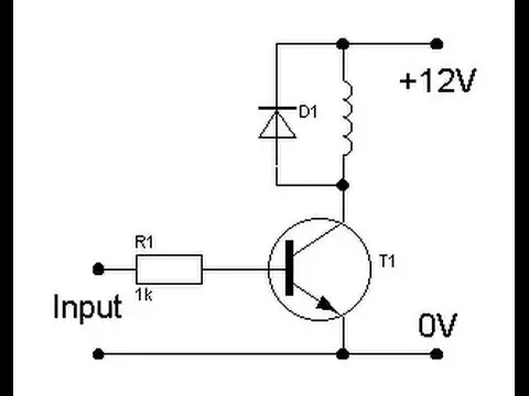
What I want to achieve: I want to control the ignition line of a car by small chip. The ignition therefore has to be connected to the 12V car battery. The chip's output pins only provide 3.3V @ ~10mA.
I thought of a 3V relay (e.g. G5V1-3), but this requires more than 10mA of power. What's the best/easiest/cheapest solution to this? Power consumption should be <0.1mA when the circuit is off. I would like to keep the car's and chip's circuits as independent as possible (that's why I thought of a relay). Toggling frequency is <10Hz.
Thank you!!
