I am preparing for an exam and I am not sure if my solution is correct for this problem:
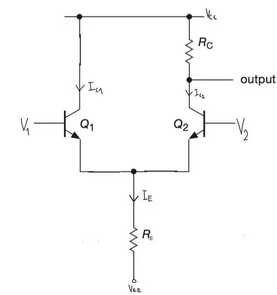
We have a differential amplifier with 2 NPN transistors (T1, T2). T1's collector is directly connected to the power supply \$V_{CC}=15V\$, while T2's collector is connected to the output and \$R_C\$. T2 base's potential is constant \$V_2=-0.5V\$. After changing \$V_1\$ - T1 base's potential - to \$V_1=0.5\sin(2\pi1000t)-0.5V\$, the peak-peak voltage of the output signal is equal to \$1V\$. Transistors' emitters are connected to \$R_E\$, which is connected to power supply \$V_{EE}=-15V\$. \$I_E=0.5mA\$
- Draw the circuit
- Calculate values of \$R_E, \ R_C\$
- After changing \$V_1\$ to \$V_1=0.01\sin(2\pi10t)-0.5V\$, calculate the maximum and the minimum value of the output voltage and draw the output signal
- Calculate T2 collector's potential, if we change \$V_2=-2V\$
No. 2
\$V_{diff}=V_1-V_2=0.5\sin(\omega t)-0.5-(-0.5)=0.5\sin(\omega t)\$ We know that \$A_{ in}=0.5V > 50mV\$, hence we knot that the maximum difference \$\Delta U=I_E\cdot R_C=1V\rightarrow R_C=\frac{1V}{0.5mA}=2k\Omega\$.
If we change voltages to \$V_1=V_2=0V\$, then we can easily calculate \$R_E\$:
\$0-0.7-I_E\cdot R_E=V_{EE}\rightarrow R_E=\frac{-V_{EE}-0.7}{I_E}=28.6k\Omega\$
No. 3
\$V_{outMAX}=V_{CC}=15V\$
\$V_{outMIN}=V_{CC}-I_E\cdot R_E=14V\$
and output voltage will oscillate around \$14.5V\$
Circuit's gain is \$G=-\frac{g_m R_C}{2}=-10V/V\$
So, I think, the output voltage is \$V_{out}=14.5-10\cdot0.01\sin(2\pi10t)V\$
No. 4
\$V_{in}=V_1-V_2=0.01\sin(2\pi10t)+1.5V\$
I don't know, maybe \$V_{out}=14V\$?
