One way to do this might be a stack up like these, with one ground being analog and the other digital.
In case a) the analog signal could be shielded by two grounds which may be beneficial. This creates problems if there are analog components on the outside layers unless many vias from the sandwiched signal layer are used.
Case b) might be better, which provides physical separation of analog and digital signals.
Usually placing a choke between analog and digital grounds is not recommended, unless you plan on having a lot of common mode noise on the digital ground and the worry is this will couple to the analog ground (ie the voltage is fluctuating in the mV range from poor cable grounding) or have a reason to separate RF frequencies.
Source: https://www.eetimes.com/document.asp?doc_id=1214998
Most of the time one can achieve good grounding by using one ground plane and using physical separation to minimize currents from going from one ground to the next. Remember that return currents will take the path of lowest impedance back to the source.
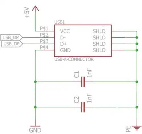
A better way with multiple layers and a USB device would be to tie the analog and digital grounds together to the ground pin of USB. Either tie the USB shield to the chassis of your USB device (if you have a conductive enclosure) OR capacitively couple the shield to ground. Directly tying the USB shield to ground can create return currents from the shield through the USB ground and create common mode noise.
Source: https://www.eevblog.com/forum/projects/usb-shield-ground-connection/