I'm trying to design a microcontroller-based board in which the MCU will function as a USB 2.0 High Speed (480 Mbit/s) host for connected USB HS devices. I have been researching circuit design for USB HS, including issues like matching trace lengths, spec-compliant differential impedance, ESD protection, etc. One issue that comes up in some references (such as this answer: Ground and earth layers on PCB) is the need for separate digital and chassis grounds.
I am just designing a bare prototype PCB with no enclosure to ground to. After a few revisions of the PCB, I may want to 3D print a plastic enclosure to make it look nice, but even then there would be no true earth ground available to me. Does this lack of a chassis/earth ground mean that USB 2.0 HS speeds are not attainable in this circuit? How bad might the performance degradation be if I get everything else right?
For clarity:
My board is powered by a 9V (unregulated) wall wart connected through a DC barrel jack on the PCB, with, possibly, a 9V battery backup in case the cord comes unplugged. From this I plan to create regulated 5V and 3.3V rails. The wall wort is two pronged, so there is no earth ground available even from it. I am just a hobbyist and do not want to touch mains voltages, so building an entire PSU (i.e., A/C transformer + rectifier) is something I'd prefer not to do.
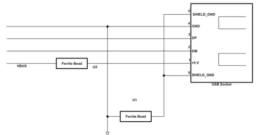
The closest I could come to a chassis ground that I can think of is to call the USB shield the chassis ground and treat it as such, i.e., connect it through a 1nF/3kV capacitor to the signal ground plane in the PCB. But is this a good enough "chassis" to be worth doing or do I need an entire separate chassis ground layer in the PCB stack to accomplish anything?
