I'm studying the subject Electrical Safety in Engineering and a special term really drew my attention. When I tried to google it, no any option was suggested but Protective conductors.
In the presentation slide, the definition of the term is explained in a such way.
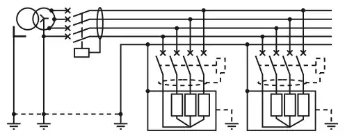
**Earthing conductor: A protective conductor connecting the main earthing terminal of an installation to an earth electrode or to other means of earthing (e.g. TN systems);
Could anyone explain the exact meaning of the term Earthing conductor?



