The simplest approach is to use a series resistor, of course, together with some fixed voltage supply. Without putting much thought into it, it seems a relatively good answer, too. However, there is a very serious flaw in it which I'll get to right away.
A resistor acts as a very, very rough current regulator. The higher the voltage is for the fixed supply and the lower the required voltage is for the LED strips, the better it will regulate. More overhead is better. But of course, wasteful in power. However, in your case there isn't much overhead. So let's look at how bad this is.
To compute the regulation using a resistor, we need to know the % variation of the current for a given % variation of the required LED voltage to operate (assuming that everything still operates okay, of course.) The way a % variation in current is computed is to use a calculus fraction that looks like this \$\text{d}\,\% I=\frac{\text{d}I}{I}\$.
The value for the current is pretty easy to calculate:
$$I_\text{LED}=\frac{V_\text{SUPPLY}-8*V_\text{LED}}{R}$$
I'll leave out the details of performing the differentials (they are not hard.) But to compute the regulation, we need something like this:
$$\frac{\text{d}\:\% I}{\text{d}\:\% V}=\frac{\frac{\text{d}I}{I}}{\frac{\text{d}V}{V}}=-8\cdot\frac{V_\text{LED}}{V_\text{SUPPLY}-8*V_\text{LED}}$$
For \$V_\text{SUPPLY}=24\:\text{V}\$ and \$V_\text{LED}=2.63\:\text{V}\$, this works out to about -7.11% per %.
Suppose you use a \$R=56\:\Omega\$. Nominally, you'd compute \$I=\frac{24\:\text{V}-8*2.63\:\text{V}}{56\:\Omega}\approx 52.9\:\text{mA}\$. But with a 1% variation in the average voltage drop, I calculate \$49.1\:\text{mA}\le I\le 56.6\:\text{mA}\$. This is over 7% variation.
Now, that would be just fine. That is, if you could promise me that the LED voltage variations will be no more than 1%. However, that's not even close to realistic. Specifications usually provide 10% variation and without binning, I've seen worse. Perhaps 15% or more at the same LED current. So now we are talking about absolutely horrible current regulation -- perhaps worse than 70%! (Obviously, we are projecting a straight line interpolation here, and that has problems of its own, but it still provides a 1st order estimate that is very much worth listening to.)
One possible solution would be to greatly increase \$V_\text{SUPPLY}\$. This would certainly reduce the current regulation variations. Another would be to simply accept that since humans see brightness on a logarithmic scale, that you can accept dramatic variations in the current from one string of LEDs to another. Another would be to adjust the resistor value to fit each LED string better. That would also work. It would require a variety of resistors available and some testing and adjustment, but it's not hard work.
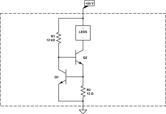
If you are looking for better uniformity in the current for each LED string and if you can afford to guarantee about \$1.5\:\text{V}\$ of overhead being available (a resistor can limit current with less overhead), then a two-BJT limiting circuit is probably a better approach. Your initial accuracies will be good enough that you'd never have to be worried about tinkering with resistor values. It's just a plug and play solution that will just work right. Also, given your currents, dissipation is small enough that you can probably use small signal BJTs (cheap and small devices) for the circuit.

simulate this circuit – Schematic created using CircuitLab
\$R_2=12\:\Omega\$ may not be the right brightness for you. You can lower it a little or raise it a little. But that's in the area you were looking for, I think. For the \$R_2\$ I selected, \$10\:\text{k}\Omega\le R_1\le 15\:\text{k}\Omega\$ will probably work. (Though it does depend a little on what you finally decide for \$R_2\$, of course.)
Note also that there is still a possible problem. If your LED strings really do average about \$2.63\:\text{V}\$ per LED, but they may vary by +10% let's say, then the result is over \$23\:\text{V}\$. That is enough to probably push the above circuit out of "management" and you'll see more substantial LED current variations, again. This would suggest that you'd want perhaps \$25\:\text{V}\$ for your voltage supply, just in case. Or perhaps even a little more. But they aren't as common as \$24\:\text{V}\$ supplies.
So again, you probably have a little bit low of voltage headroom. But at least with an active current limiter I think regulation should be better than with a single resistor. The above approach uses two resistors and two cheap BJTs. You'll have to decide if that's bad or good, of course.