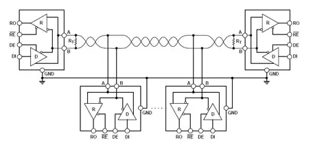
I have a system with an RS-485 bus master and up to 12 slaves. The master and slaves are located in different assemblies and are connected with an RS-485 bus that is inside a cable harness. The cable harness also provides power and other comms. The RS-485 bus is twisted shielded pair with 24 gauge conductors. All connectors are -38999 with 20 gauge contacts. There is no guarantee all slaves will be connected to the bus so I cannot route the bus into a slave and back out to shorten stub length. Data rate will be greater than 1Mbps - goal is 10Mbps if bus architecture will support it.
Total bus length is estimated to be about 12 feet long. Each stub on the harness is estimated to be about 6 inches from the main part of the harness. Stub length inside the slave assembly is about 2 feet. Stubs on the main harness are separated by about 8 inches.
My question is what is the best practice for 'attaching' a stub to the bus. Should each stub be spliced into the main twisted shielded pair? Or should the main bus be crimped into a single pin at each stubs' terminating connector, i.e., pin acts as splice for main bus? Or, is there a better option such as the inline bus couplers found in MIL-STD-1553 buses?
Edit: The question is about whether splices or two wires in a single pin is a better method for tying into a bus or does it matter. It is understood shorter stub lengths are better and termination will only happen at the extreme ends of the bus (not on stubs).

