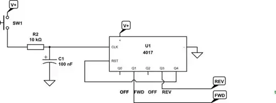
I have been trying to create a DC motor controller that can do numerous actions with just the use of one button.
Basically when I click it has to go on way, when I click again it has to stop, and again it has to go the other way and vise versa only using one button. I've been attempting this with a D-FLIP-FLOP, but I have encountered multiple problems along the way that have me thinking new ways to solve it. Any ideas to this silly, but funny problem?
