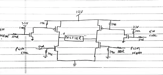
I am using a pelter module to cool a chamber, I also use the same module to heat the chamber just by reversing the voltage to to.(separately tested and working). This lead me to look for a H-bridge IC to do the same. But I really couldn't find something which supports up to 5 Amps(peltier peaks to 4A) easily. Hence I decided to make a circuit for the same.
I would be using a micro controller at 3.3v to control this, so I want to ask you guys if its okay to use a circuit like this to drive it? or am i missing something?
Thanks in advance
