I don't know if self-contained units like this exist, but I'd like to think they do, and I just don't know what they're called, who makes them, or where to find them.
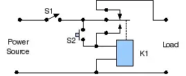
Please bear with me, for a moment. Imagine a lamp, a simple On/Off latching switch, and a battery connected in series. The lamp is powered when the latching switch is in its on position.
Is there another switch-type or device that can be added to the circuit, that if pressed whilst the simple switch is on, opens/breaks the circuit until the simple switch is off. The new device is effectively a latching normally closed switch, but special because it can reset its own state to closed, if the simple switch changes position to off, and current no longer flows.
Ideally, I'd like something with these characteristics:
- 12V 0.5A
- 10-30mm diameter or width
- panel mountable
- LED indicator (not required, but would be nice!)
- ideally looks like a latching switch but resets mechanically.
Any help appreciated.


Please bear with me, for a moment.– perilbrain Oct 04 '12 at 19:29