
Figure 0. The schematic (subsequently removed) on which this answer is based.

simulate this circuit – Schematic created using CircuitLab
Figure 1. A typical polarity reversal switch.
Your circuit is difficult to understand due to a poor schematic and poor labeling. It's also a bit dodgy as all the switches are independent and short circuits can be created by connecting 3 and 4, for example.
A more typical arrangement is shown in Figure 1. Here a DPDT (double-pole, double-throw) switch is used. In the position shown the top output wire will be positive. Throwing the switch reverses the polarity. Note that it is impossible to short-circuit the supply with this switch.
If i close switch 6,2,4 would i be getting positive voltage?
You only need to close 2 and 4. We'll get to 6 later.
If i close 1,3,5 I get negative voltage?
You only need to close 3 and 5. We'll get to 1 soon now.
I guess I am just having a hard understanding what happens when I connect power to NO as opposed to COM.

simulate this circuit
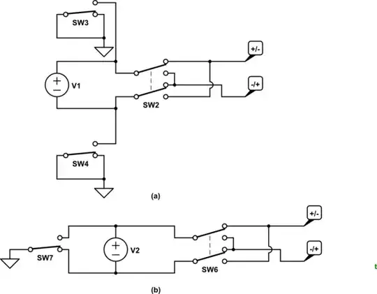
Figure 2. (a) The equivalent circuit for your setup. (b) A simpler way?
Switches 3 and 4 in Figure 2a show how your schematic is configured. It's a little weird, to say the least but it may have suited the PCB layout. They suffer the same problem as the others in that your 1 and 6 can both be connected simultaneously and short out the power supply.
Figure 2b shows a better way of switching the ground connection. Again, a short circuit is not possible. If an un-grounded output is required then an on-off-on type of switch (centre-off) would be required.
It's been brought to my attention that if the wrong switches are open/closed I could end up messing up my unit and DUT. How can I avoid this?

Figure 4. Revised schematic posted by OP.
This revised schematic doesn't change the fact that you have purchased the wrong switches for the job. The only thing I can suggest is that you SPST3 and SPST5 are installed in reverse orientation to 2 and 4. Then you use the following procedure to change polarity.
- Switch power off.
- Switch SPST 2, 3, 4 and 5 up for standard polarity.
- Switch SPST 2, 3, 4 and 5 down for reverse polarity.