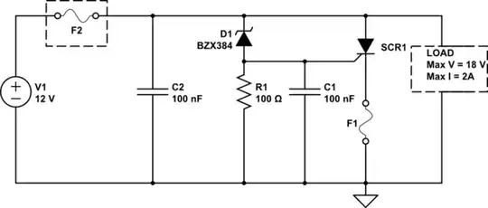
I'd like to use the below circuit to protect my device from overvoltage.

simulate this circuit – Schematic created using CircuitLab
D1 is rated to 15V. SCR1 is supposed to be ON Semi MCR100-8G with maximum current of 800 mA. F1 supposed to be rated at 0.5A in order to blow below maximum rating of SCR1. So my question is, can I place fuse to F1 position? All schematics I've seen had fuse in place of F2. I want to omit it, and use only F1 instead. Also, should I add some resistor between D1 anode and SCR1 gate? If yes, how to calculate its value?
Thanks to @rdtsc who noticed a very silly mistake of mine. Obviously the only possible place of fuse is F2. So now the question is:
Provided that SCR1 has maximum current rating of 0.8A, and maximum surge current of 10A, can I use F2 with 3A rating?.