0

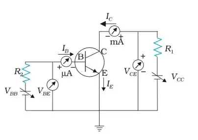
This picture is given in my textbook regarding an n-p-n transistor circuit:

enter image description here

Why is the emitter grounded? Why can't it be directly and only connected to the negative terminal of Vcc?

Glorfindel
  • 1,245
  • 3
  • 15
  • 20
  • 3
    You don’t in real life but any simulation tool would require a ground. Also, four way connections like this without a dot to denote a connection is frowned upon – winny Nov 26 '19 at 07:08
  • @winny so there's no physical significance to it? – Karthikeya Kaza Nov 26 '19 at 07:09
  • 1
    No, it is just a common way to define a voltage reference point. – Oldfart Nov 26 '19 at 07:11
  • In this circuit there is no physical significance to it. Ground can be a whole huge topic of discussion. But in the context of learning about electronic circuits, ground is just the node defined to be 0 Volts. – user57037 Nov 26 '19 at 07:11
  • Is it actually 0V at that point? Also, what is the use of defining a voltage reference point? – Karthikeya Kaza Nov 26 '19 at 07:13
  • 4
    Because voltage is always defined with respect to two points, not one. It is potential 'difference'. So there should be a reference point in every circuit, which we call as ground and considered as '0' V – Mitu Raj Nov 26 '19 at 07:22
  • Not in real life but in any academic circle, you should always include a reference such as ground symbol and again any SPICE simulator requires it. – winny Nov 26 '19 at 09:57

2 Answers2

5

Also, what is the use of defining a voltage reference point?

All voltages are relative, a concept which a lot of people have trouble understanding.

It is rather common to say that "at Point A we have X Volts" but actually it is wrong!

Officially you should say "Between point B and point A we have X volts".
As that become tedious it is easier (common) to define a reference point. Then if you say "at Point A we have X Volts" your are actually saying "Between the reference point and point A we have X volts".

The next step often used in a schematic when defining the reference point is to use the ground symbol for that.

Oldfart
  • 14,380
  • 2
  • 16
  • 41
1

In most circuits the Ground symbol just indicates the point in the circuit that we will call "Zero Volts". It rarely indicates an actual connection to the earth.

In your circuit, "Ground/Zero Volts" is connected to the negative terminals of the Vcc and Vbb supplies. Voltages eleswhere in the circuit are measured relative to "Ground/Zero Volts".

Peter Bennett
  • 59,212
  • 1
  • 49
  • 132