Our professor told us that we should use the formulas below to calculate the
F-high and F-low frequencies that our band-pass filter should have.
$$F_\text{low}=\frac1{2π\,R_1\:C_1}$$ and $$F_\text{high}=\frac1{2π\,R_2\:C_2}$$
My question is how can someone mathematically explain those formulas.
How do these formulas come to be?
- 77,876
- 6
- 77
- 188
- 1
- 3
-
2it is primarily based on how a capacitor works with respect to frequency and frequency changes. To get to this point you should have already had the basic math (calculus) and then the physics of how the capacitors work. plus basic electrical network stuff to use ohms law and other on circuits (the resistor and other components). – old_timer Nov 26 '19 at 18:53
-
Waveguides would be more of advanced topic to talk about cutoff wavelengths in optics so you may be able to relate that with circuitry... However in electronics, you might have heard about the 3dB point. – Nov 26 '19 at 19:11
-
I'll check it out , thank you. – FoolingAround Nov 26 '19 at 19:20
-
Hello FT, this site uses MathJax to make formulas look similar to LaTeX output. To achieve this, edit your question and experiment with following. Copy and paste but take out the spaces between the dollar-sign symbols: $ $F_{high} = /frac{1}{2 /cdot /pi /cdot R1 /cdot C1}$ $ and $ $ F_{low} = /frac{1}{2 /cdot /pi /cdot R2 /cdot C2} $ $ – rdtsc Nov 26 '19 at 19:25
-
Thanks for the input , I fixed it up a bit. It did not seem to work fully though. The /frac was not properly working. – FoolingAround Nov 26 '19 at 19:36
-
@ForeverTinkering I tinkered with your equations using the 'frac' thing. Also, how familiar are you with nodal analysis and the use of $s,L$ and $\frac1{s,C}$ for the impedances of inductors and capacitors to develop a transfer function? – jonk Nov 26 '19 at 19:43
-
This isn't where I'd start. I'd start with a simple RC circuit, and derive the differential equation describing the output – Scott Seidman Nov 26 '19 at 19:43
-
@ScottSeidman Yeah... But this has two capacitors. I'm not so sure I'd want to make the OP go through this entire under-damped mess. The OP's case is obviously over-damped by definition. But a general solution can still be a bit more fun, at times, than the OP may want. – jonk Nov 26 '19 at 19:45
-
@ForeverTinkering You might look over this link to get an idea. One thing that is *required* is that if you actually do have a bandpass filter here, then it is an over-damped 2nd order case. Over-damped behavior is a pre-condition for a 2nd order bandpass filter. – jonk Nov 26 '19 at 19:52
-
@jonk , thanks a lot , will try to work it out – FoolingAround Nov 26 '19 at 20:27
-
@ForeverTinkering....I do not know how your Prof has defined the quantities Flow and Fhigh, respectively. However, I like to mention that for the given bandpass circuit these frequencies are NOT the corresponding 3-dB frequencies. Instead the given formulas for Flow and Fhigh give the 3-db limits for a first-order high- resp. lowpass. These expressions would give the 3dB bandwidth of a bandpass only in case of two blocks (highpass, lowpass9, which are isolated against each other with a buffer amplifier. – LvW Nov 27 '19 at 10:05
2 Answers
How do these formulas come to be?
Start with a generalized picture of your circuit:

simulate this circuit – Schematic created using CircuitLab
From the usual equations for an op-amp in negative feedback you can find,
$$ v_o = -Z_1\frac{v_i}{Z_2} $$
Now substitute in the impedances for the elements in your design and you will eventually be able to get the high and low frequency cut-offs in terms of those element values.
If you know these frequencies are well-separated, it may help to assume that \$Z_1\$ is in the low-frequency limit when calculating the low-frequency cut-off and \$Z_2\$ is in the high-frequency limit when calculating the high-frequency cut-off.
- 129,671
- 3
- 164
- 309
-
But the "high and low frequency cutoffs" for the bandpass will not be identical to the corresponding lowpass resp. highpas cutoffs (as mentioned in the task description). – LvW Nov 27 '19 at 10:10
-
@LvW, jonk's answer goes through all that and never gets to the algebraic result OP is looking for (but does verify that the results are numerically similar under certain circumstances) – The Photon Nov 27 '19 at 15:50
General Approach
To start, I'm sure you are very familiar with this inverting amplifier configuration. And I'm sure you know that for simple resistances, the transfer function is nothing harder than:
$$G_s=\frac{V_\text{o}}{V_\text{i}}=-\frac{R_\text{feedback}}{R_\text{source}}$$
So in your case, \$R_\text{feedback}\$ and \$R_\text{source}\$ become instead \$Z_\text{feedback}\$ and \$Z_\text{source}\$. So:
$$G_s=\frac{V_\text{o}}{V_\text{i}}=-\frac{Z_\text{feedback}}{Z_\text{source}}$$
At this point, it's just a "fill in the blanks" kind of thing. For resistors, \$Z_\text{R}=R\$. But for capacitors, \$Z_\text{C}=\frac1{s\,C}\$.
$$G_s=\frac{V_\text{o}}{V_\text{i}}=-\frac{Z_{R_1}\mid\mid Z_{C_1}}{Z_{R_2}+Z_{C_2}}=-\frac{R_1\mid\mid \frac1{s\,C_1}}{R_2+\frac1{s\,C_2}}$$
If you do a little bit of algebra stuff (or, as I do, cheat and use sympy so that I can avoid the usual risks of making very human mistakes along the way):
$$G_s=-\frac{R_1\,C_2\,s}{s^2+\left(\frac1{R_1\,C_1}+\frac1{R_2\,C_2}\right)s+\frac{1}{R_1\,C_1\,R_2\,C_2}}$$
Set \$\alpha=\frac12 \left(\frac1{R_1\,C_1}+\frac1{R_2\,C_2}\right)\$, \$\omega_{_0}=\frac1{\sqrt{R_1\,C_1\,R_2\,C_2}}\$, and create the unitless \$\zeta=\frac{\alpha}{\omega_{_0}}\$.
If you separate out the gain as \$K=\frac{R_1\,C_2}{R_1\,C_1+R_2\,C_2}\$ (you can compute \$K=\sqrt{G_{j\,\omega_{_0}}\:G_{-j\,\omega_{_0}}}\$, but there are less formal methods of getting to the same place) we can now write:
$$G_s=-K\:\left[\frac{2\zeta\,\omega_{_0}\,s}{s^2+2\zeta\,\omega_{_0}\,s+\omega_{_0}^2}\right]$$
(Note that \$A\$ is also used instead of \$K\$, as are other variable names such as \$h\$ in Sallen & Key's paper.)
The advantage here is that we've isolated the gain into \$K\$, with the rest being the standard-form bandpass transfer function. Everything we need to know about the bandpass itself is contained in the standard-form portion, determined only by \$\zeta\$ and \$\omega_{_0}\$. Everything we need to know about the gain is contained in \$K\$ and doesn't depend on \$\zeta\$ or \$\omega_{_0}\$.
The denominator is quadratic and the roots are:
$$\begin{align*}\left\{\begin{array}{l}s_1=-\alpha+\sqrt{\alpha^2-\omega_{_0}^2}\\s_2=-\alpha-\sqrt{\alpha^2-\omega_{_0}^2}\end{array}\right.\end{align*}$$
\$\zeta\$ is handy. The following cases arrive (if you look at the square-root term of \$s_1\$ and \$s_2\$ you may note that it can be imaginary or real):
$$\begin{align*}\text{Damping factor conditions}\left\{\begin{array}{l}\zeta = 1 \left(\alpha=\omega_0\right)&&\text{Critically damped}\\\zeta \gt 1 \left(\alpha\gt \omega_0\right)&&\text{Over-damped}\\\zeta \lt 1 \left(\alpha\lt \omega_0\right)&&\text{Under-damped}\\\zeta = 0&&\text{Un-damped}\end{array}\right.\end{align*}$$
In your case, you have a bandpass so this means it must be the over-damped case. So the square-root part of the solution is real and therefore \$s_1\$ and \$s_2\$ are both real (and different from each other.) Here also, the \$s_1\$ and \$s_2\$ poles actually represent your \$\omega_{_\text{L}}\$ and \$\omega_{_\text{H}}\$:
$$\begin{align*}\left\{\begin{array}{l}\omega_{_\text{L}}=-s_1=\omega_{_0}\left(\zeta-\sqrt{\zeta^2-1}\right)=\omega_{_0}\,\zeta\left(1-\sqrt{1-\frac1{\zeta^2}}\right)\\\omega_{_\text{H}}=-s_2=\omega_{_0}\left(\zeta+\sqrt{\zeta^2-1}\right)=\omega_{_0}\,\zeta\left(1+\sqrt{1-\frac1{\zeta^2}}\right)\end{array}\right.\end{align*}$$
Easily computed from the variables earlier developed. (And note that \$\omega_{_\text{L}}\,\omega_{_\text{H}}=\omega_{_0}^2\$.)
Note that the prior transfer function is but one standard way to write it. It's not the only standard form. Another approach is to simply replace \$s\$ with \$j\,\omega\$ (we are assuming that it doesn't spiral out of control or that it doesn't dampen into nothing -- in short, we are assuming \$\sigma=0\$.) Also, since \$s_1\$ and \$s_2\$ are real roots (for a bandpass filter that is over-damped, by definition), we can re-arrange as follows:
$$\begin{align*} G_s&=-K\:\left[\frac{2\zeta\,\omega_{_0}\,s}{\left(s-s_1\right)\cdot\left(s-s_2\right)}\right]\\\\ &=-K\:\left[\frac{2\zeta\,\omega_{_0}\,j\,\omega}{\left(j\,\omega+\omega_{_\text{L}}\right)\cdot\left(j\,\omega+\omega_{_\text{H}}\right)}\right]\\\\ &=-K\:\left[\frac{2\zeta\,\frac{j\,\omega}{\omega_{_0}}}{\left(1+\frac{j\,\omega}{\omega_{_\text{L}}}\right)\cdot\left(1+\frac{j\,\omega}{\omega_{_\text{H}}}\right)}\right] \end{align*}$$
The point is that there are different ways to represent the same thing. Your choice will depend on what you want to emphasize. (And, of course, it's worth the time to play a little with the equations to see where they take you.)
(By the way, the above only applies to the case where we are talking about an over-damped bandpass filter. I made some assumptions about the fact that we have real and distinct roots for this last development.)
Validation Using Concrete Case
Let's just quickly design something, mostly at random, and see how well we can predict the results before testing it using the above concepts.
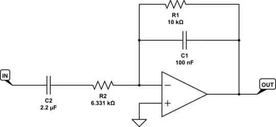
I'm going to just arbitrarily select \$R_1=10\:\text{k}\Omega\$ and \$C_1=100\:\text{nF}\$. (Those are just standard values that came first to mind.) Now, I'm going to make \$C_2=2.2\:\mu\text{F}\$ because I know I want it to pass some low frequencies (I'm hoping to make a bandpass, after all!) And let's finally choose \$\zeta=2\$... just because.
This leaves me with having to figure out \$R_2\$. If you use sympy to cheat as much as I do, then you will find that \$R_2\approx 6331\:\Omega\$. (I think you can figure out how to work this out from the earlier equations and don't need any hand-holding for that.)
So. I have a circuit!!!

simulate this circuit – Schematic created using CircuitLab
A quick calculation now tells me that \$K \approx 1.474\$ or, in short, the passband will be \$\approx +3.368\:\text{dB}\$. (Note that \$K\$ may be close to \$\frac{R_1}{R_2}\$, but isn't necessarily exactly that value.)
I also quickly see that \$\omega_{_0}=267.95\$ (or \$f\approx 42.65\:\text{Hz}\$), that \$\omega_{_\text{L}}=71.80\$ (or \$f_{_\text{L}}\approx 11.43\:\text{Hz}\$), and that \$\omega_{_\text{H}}=1000\$ (or \$f_{_\text{H}}\approx 159.16\:\text{Hz}\$.)
(Note that \$f_{_\text{L}}\$ is also \$\frac1{2\pi\,R_2\,C_2}\$ and that \$f_{_\text{H}}\$ is also \$\frac1{2\pi\,R_1\,C_1}\$.)
Here's LTspice's simulation results:

